Timing Cover: Service and Repair
REMOVAL PROCEDURE^ Tools Required
- J 28467-360 Engine Support Fixture
Caution: Refer to Battery Disconnect Caution in Service Precautions.
1. Disconnect the negative battery cable.
2. Remove the drive belt.
3. Remove the drive belt tensioner.
4. Install the J 28467-360 Engine Support Fixture.
5. Remove the engine mount assembly.
6. Remove the generator rear brace.
7. Remove the generator.
8. Remove the power steering pump. Position the pump aside. Keep the lines attached.
9. Raise and support the vehicle. Refer to Vehicle Lift Points.
10. Remove the oil pan.
11. Remove the crankshaft pulley and hub.
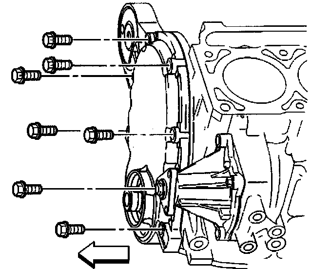
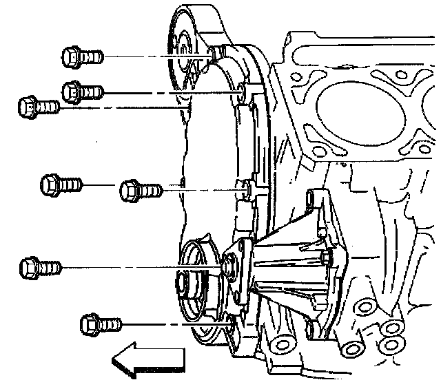
12. Remove the engine front cover bolts.
13. Remove the engine front cover. If necessary, carefully use a rubber mallet to loosen the cover.
14. Clean the sealing surface on the engine block.
15. Clean the sealing surface on the engine front cover.
INSTALLATION PROCEDURE
1. Install the engine front cover gasket.
Notice: Refer to Fastener Notice in Service Precautions.
2. Install the engine front cover and the bolts.
^ Tighten the bolts to 11 Nm (97 inch lbs.).
3. Install the crankshaft pulley and the crankshaft pulley hub.
4. Install the oil pan.
5. Lower the vehicle.
6. Install the power steering pump.
7. Install the generator.
8. Install the generator rear brace.
9. Install the engine mount assembly.
10. Remove the J 28467-360 Engine Support Fixture.
11. Install the drive belt tensioner.
12. Install the drive belt.
13. Connect the negative battery cable.
^ Tighten the bolt to 16 Nm (12 ft. lbs.).