Operation CHARM: Car repair manuals for everyone.
Manuals through 2025 now available!

Our trusted friends have launched a new website named LEMON, which has newer manuals. It also contains all the CHARM manuals.

LEMON is the spiritual successor to CHARM, I recommend you try it!

Link: lemon-manuals.la or lemon-manuals.org.ua

(Some people have issue connecting. LEMON is investigating. For now, use Firefox or change your DNS server)

Or, hide this message: temporarily or permanently

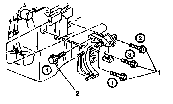
Compressor Mounting Bracket Replacement

REMOVAL PROCEDURE

IMPORTANT: Recovering the refrigerant is not necessary to service the compressor mounting bracket.




1. Remove the A/C compressor from the bracket.
2. Remove the A/C compressor mounting bracket retaining bolts (1,2).
3. Remove the A/C compressor mounting bracket.

INSTALLATION PROCEDURE




1. Install the A/C compressor mounting bracket.

NOTE: Refer to Fastener Notice in Service Precautions.

2. Install the A/C compressor mounting bracket retaining bolts (1,2).

Tighten
2.1. Tighten the side bracket bolts (1) to 100 N.m (74 lb ft).
2.2. Tighten the front bracket bolt (2) to 50 N.m (37 lb ft).

3. Install the A/C compressor.