Operation CHARM: Car repair manuals for everyone.
Manuals through 2025 now available!

Our trusted friends have launched a new website named LEMON, which has newer manuals. It also contains all the CHARM manuals.

LEMON is the spiritual successor to CHARM, I recommend you try it!

Link: lemon-manuals.la or lemon-manuals.org.ua

(Some people have issue connecting. LEMON is investigating. For now, use Firefox or change your DNS server)

Or, hide this message: temporarily or permanently

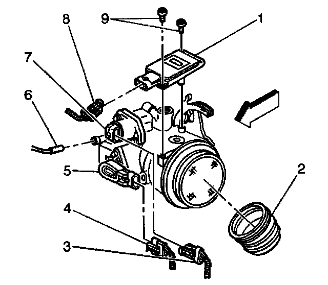
Air Flow Meter/Sensor: Service and Repair





REMOVAL PROCEDURE
1. Turn OFF the ignition.
2. The Mass Air Flow (MAF) sensor on this engine is attached to the throttle body assembly.

Remove the fuel injector sight shield.

3. Disconnect the electrical connector (8) from the MAF sensor (1).
4. Remove the screws (9) retaining the MAF sensor to the throttle body.
5. Remove the MAF sensor (1) from the throttle body.

INSTALLATION PROCEDURE
1. Install the MAF sensor (1) to the throttle body.

NOTE: Refer to Fastener Notice in Service Precautions.

2. Install the screws (9) that retain the MAF sensor to the throttle body.

Tighten
Tighten the screws to 3 N.m (27 lb in)

3. Connect the MAF sensor electrical connector (8) to the MAF sensor (1).
4. Install the fuel injector sight shield.