Operation CHARM: Car repair manuals for everyone.
Manuals through 2025 now available!

Our trusted friends have launched a new website named LEMON, which has newer manuals. It also contains all the CHARM manuals.

LEMON is the spiritual successor to CHARM, I recommend you try it!

Link: lemon-manuals.la or lemon-manuals.org.ua

(Some people have issue connecting. LEMON is investigating. For now, use Firefox or change your DNS server)

Or, hide this message: temporarily or permanently

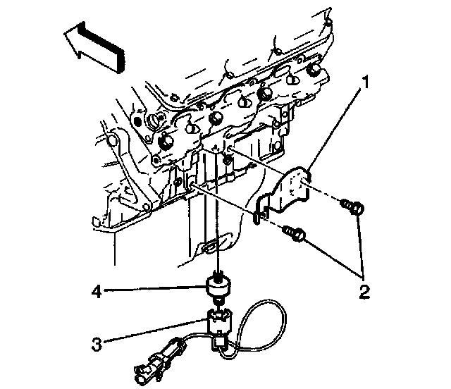
Knock Sensor (KS) Replacement - Bank 2

REMOVAL PROCEDURE

CAUTION: Hot engine coolant may cause severe burns. Although the cooling system has been drained, coolant still remains in the engine water jacket. This coolant will drain with the removal of the knock sensor.




1. Turn off the ignition switch.
2. Raise the vehicle. Refer to Lifting and Jacking the Vehicle in General Information.
3. Remove the bolts from the splash shield.
4. Drain the cooling system. Refer to Draining and Filling Cooling System in Cooling System.
5. Remove the bolts (2) from the knock sensor heat shield (1) located under the freeze plug, or the block heater if equipped.
6. Disconnect the wiring harness connector (3) from the knock sensor (4).




7. Remove the knock sensor (2) from the engine block (1).

INSTALLATION PROCEDURE

IMPORTANT: DO NOT apply thread sealant to the knock sensor threads. The sensor is coated at the factory and applying additional sealant will affect the sensor's ability to detect detonation.

NOTE: Refer to Fastener Notice in Service Precautions.




1. Install the knock sensor (2) into the engine block (1).

Tighten
Tighten the knock sensor to 19 N.m (14 lb ft).

2. Install the Knock Sensor (KS) heat shield.

Tighten
Tighten the bolts to 60 N.m (44 lb ft).

3. Connect the electrical connector to the KS.
4. Install the splash shield.
5. Lower the vehicle.
6. Fill the cooling system. Refer to Draining and Filling Cooling System in Cooling System.
7. Check the engine coolant level.