Operation CHARM: Car repair manuals for everyone.
Manuals through 2025 now available!

Our trusted friends have launched a new website named LEMON, which has newer manuals. It also contains all the CHARM manuals.

LEMON is the spiritual successor to CHARM, I recommend you try it!

Link: lemon-manuals.la or lemon-manuals.org.ua

(Some people have issue connecting. LEMON is investigating. For now, use Firefox or change your DNS server)

Or, hide this message: temporarily or permanently

PCM Replacement/Programming

Service of the PCM should normally consist of either replacement of the PCM or EEPROM programming. If the diagnostic procedures call for PCM replacement, check the PCM first in order to determine if the PCM is the correct part. If the PCM is faulty, remove and replace the module.

The new service PCM will not be programmed. You must program the new PCM. DTC P0602 indicates the EEPROM is not programmed or has malfunctioned.

NOTE:
^ In order to prevent possible electrostatic discharge damage to the PCM, do not touch the connector pins or soldered components on the circuit board.
^ Turn the ignition OFF when installing or removing the PCM connectors and disconnecting or reconnecting the power to the PCM (battery cable, PCM pigtail, PCM fuse, jumper cables, etc.) in order to prevent internal PCM damage.

REMOVAL PROCEDURE




1. Turn off the ignition.

CAUTION: Refer to Battery Disconnect Caution in Cautions and Notices.

2. Disconnect the negative battery cable.
3. Disconnect the IAT sensor electrical connector.
4. Loosen the clamp securing the air intake duct to the air cleaner housing.
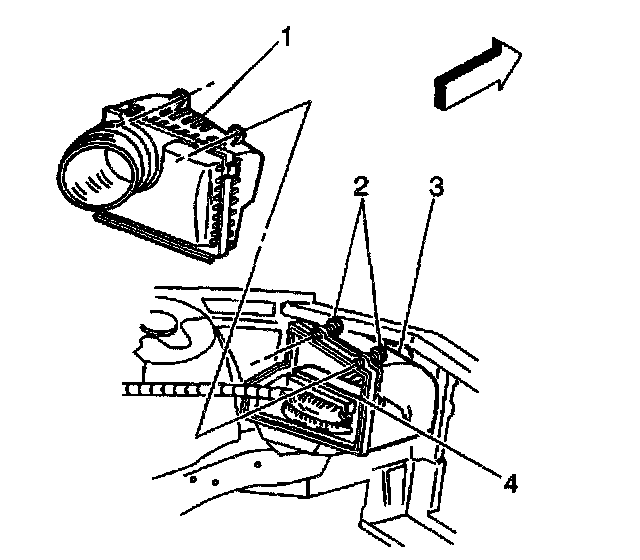
5. Carefully remove the air intake duct from the throttle body and from the air cleaner housing (1).
6. Remove the 2 screws (2) from the 2 air cleaner housing sections.
7. Remove the cover assembly from the air cleaner housing.




8. Without disconnecting the PCM connectors (1), remove the PCM (3) and the harness from the PCM housing (2).
9. Disconnect the PCM connectors (1).

INSTALLATION PROCEDURE




1. Reconnect the PCM connectors (1).
2. Carefully reinstall the PCM (3) and the harness into the PCM housing (2).




3. Reinstall the air cleaner housing cover assembly (1).
4. Reinstall the 2 screws (2) to the 2 air cleaner housing sections.
5. Carefully reinstall the air intake duct to the throttle body and to the air cleaner housing.
6. Tighten the clamp securing the air intake duct to the air cleaner housing.
7. If a new PCM is being installed, program the EEPROM. Programming and Relearning
8. Reconnect the negative battery cable.
9. The Replacement PCM will NOT allow Secondary AIR Pump operation until a total of 10 miles have been accumulated.