Operation CHARM: Car repair manuals for everyone.
Manuals through 2025 now available!

Our trusted friends have launched a new website named LEMON, which has newer manuals. It also contains all the CHARM manuals.

LEMON is the spiritual successor to CHARM, I recommend you try it!

Link: lemon-manuals.la or lemon-manuals.org.ua

(Some people have issue connecting. LEMON is investigating. For now, use Firefox or change your DNS server)

Or, hide this message: temporarily or permanently

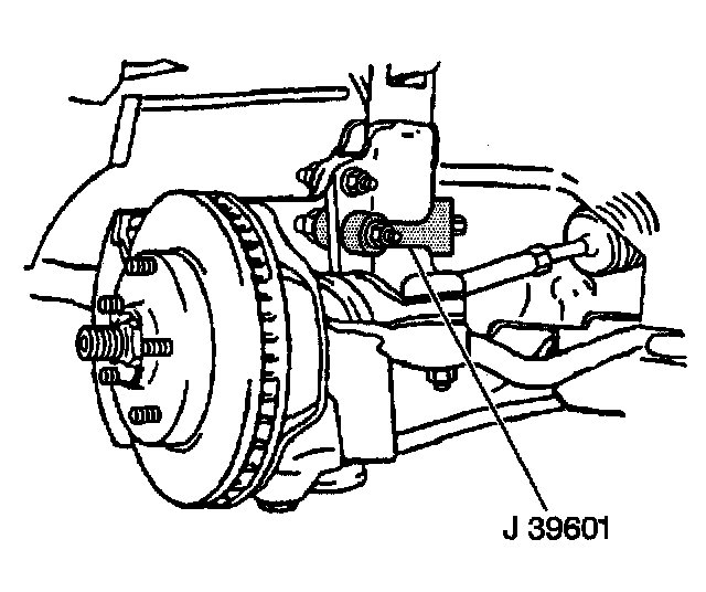
Front Camber Adjustment

- Tools Required
- J39601 Camber Adjustment Tool

1. Raise and support the vehicle. Refer to Vehicle Lifting.





2. Remove the tire and wheel. Refer to Tire and Wheel Removal and Installation in Wheels, Tires and Alignment.

Important: Do not allow the bolts to turn this will ruin the serrated shoulder.

3. Remove the nut and tap the upper and lower bolt from the strut and knuckle.
4. Separate the strut from the knuckle.

Important: It is necessary to grind the lower bolt hole on the strut to achieve proper camber setting.
If camber specification is not achieved by this procedure check for bent or worn parts.

5. Using a round file or a die grinder file the inner metal plate to the outside plates diameter.
6. File excess metal to make the slotted holes.
7. Paint the exposed metal with rust preventive paint or primer.
8. Replace the strut to the knuckle.





9. Install both the upper and lower bolts.
10. Do not tighten at this time. (leave Loose).
11. Install J-39601 to the bottom strut bolt.

Notice: Refer to Fastener Notice in Service Precautions.

12. Using the J39601, set the camber. Refer to Wheel Alignment Specifications.
Tighten the upper strut to knuckle nut to 225 Nm (166 ft. lbs.).
13. Remove the J39601.
Tighten the lower strut to knuckle nut to 225 Nm (1166 ft. lbs.).
14. Replace the tire and wheel. Refer to Tire and Wheel Removal and Installation in Wheels, Tires and Alignment.
15. Lower the vehicle.
16. Perform a wheel alignment. Refer to Wheel Alignment Specifications in Wheel Alignment.