Operation CHARM: Car repair manuals for everyone.
Manuals through 2025 now available!

Our trusted friends have launched a new website named LEMON, which has newer manuals. It also contains all the CHARM manuals.

LEMON is the spiritual successor to CHARM, I recommend you try it!

Link: lemon-manuals.la or lemon-manuals.org.ua

(Some people have issue connecting. LEMON is investigating. For now, use Firefox or change your DNS server)

Or, hide this message: temporarily or permanently

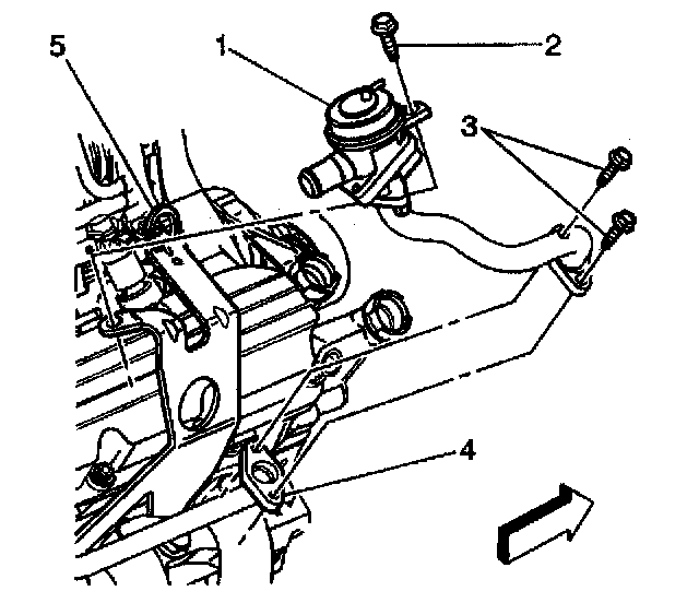
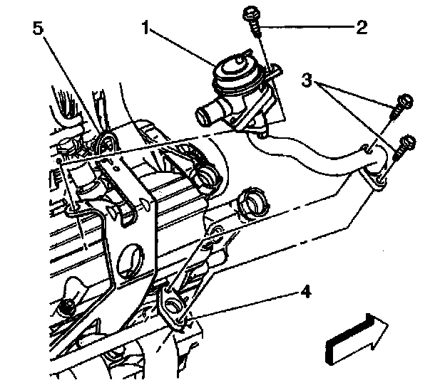
Air Injection Control Valve: Service and Repair

REMOVAL PROCEDURE




1. Turn OFF the ignition.
2. Disconnect the vacuum hose (4) from the combination valve.




3. Loosen and lower AIR pump exhaust hose pinch clamp (1).




4. Remove the 2 bolts (3) that attach the AIR pipe to the AIR manifold.
5. Remove the mounting bolt that secures the combination valve to the map sensor bracket (2).
6. Remove the AIR Combination Valve and AIR pipe as an assembly (1).

INSTALLATION PROCEDURE

NOTE: Refer to Fastener Notice in Service Precautions.




1. Install the bolt securing AIR Combination Valve and AIR pipe assembly onto the MAP sensor bracket (2).

Tighten
Tighten the mounting bolt to 9 N.m (80 lb in).

2. Install the 2 bolts (3) that attach the AIR pipe to the AIR manifold.

Tighten
Tighten the mounting bolts to 9 N.m (80 lb in).




3. Connect the AIR pump exhaust pipe (1) to the AIR Combination Valve.
4. Move the AIR pump exhaust hose pinch clamp back into position.




5. Connect the vacuum hose (4) to the combination valve.

REMOVAL PROCEDURE




1. Loosen and lower the AIR exhaust pipe hose pinch clamp (2) at the AIR pump.




2. Remove both AIR pump exhaust pipe mounting nuts.




3. Disconnect the AIR exhaust pipe (1) from the AIR pump (3).




4. Loosen and lower the AIR pump exhaust hose pinch clamp (1) at the AIR Combination Valve.
5. Disconnect the AIR pump exhaust pipe (2) from the AIR Combination Valve.
6. Remove the AIR pump exhaust pipe.

INSTALLATION PROCEDURE




1. Position the AIR pump exhaust pipe (2) between the AIR pump and the AIR Combination Valve.
2. Connect the AIR pump exhaust pipe (2) to the AIR Combination Valve.
3. Place the AIR pump exhaust hose pinch clamp (1) around the hose connection at the AIR Combination Valve inlet port.




4. Attach the AIR exhaust pipe (1) to the AIR pump outlet port (3).
5. Place the AIR exhaust pipe pinch clamp (2) around the AIR pump outlet port and exhaust hose connection.

NOTE: Refer to Fastener Notice in Service Precautions.




6. Install both AIR pump exhaust pipe mounting bolts.

Tighten
Tighten the AIR pump exhaust pipe mounting bolts to 10 N.m (88 lb in).