Operation CHARM: Car repair manuals for everyone.
Manuals through 2025 now available!

Our trusted friends have launched a new website named LEMON, which has newer manuals. It also contains all the CHARM manuals.

LEMON is the spiritual successor to CHARM, I recommend you try it!

Link: lemon-manuals.la or lemon-manuals.org.ua

(Some people have issue connecting. LEMON is investigating. For now, use Firefox or change your DNS server)

Or, hide this message: temporarily or permanently

Upper Intake Manifold Replacement

Removal Procedure

^ Tools Required
- J 37088-A Fuel Line Quick Connect Separator





1. Drain the engine coolant.
2. Disconnect the intake air temperature (IAT) sensor electrical connector.





3. Remove the air intake duct.
4. Remove the drive belt tensioner. Refer to Drive Belt Tensioner Replacement.





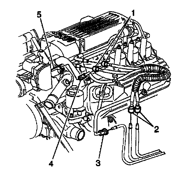
5. Disconnect the fuel injector electrical connectors (1) from the fuel injectors.
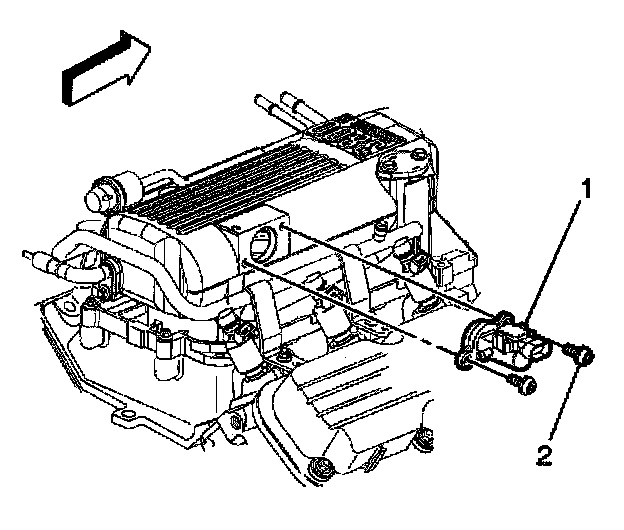
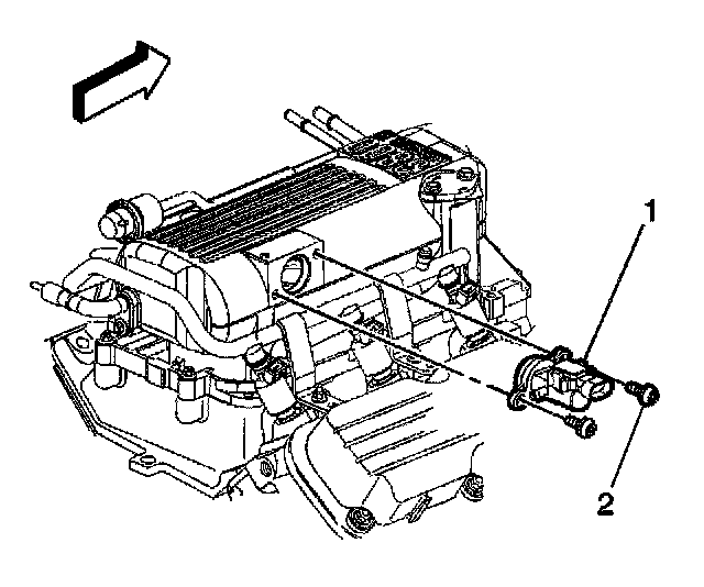
6. Disconnect the manifold absolute pressure (MAP) sensor electrical connector (2).





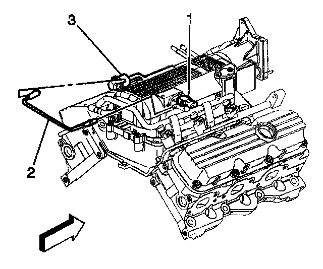
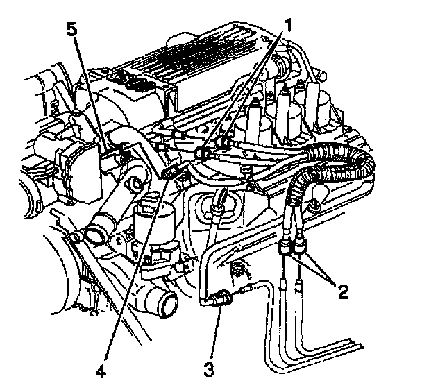
7. Disconnect the engine harness vacuum tube (1) from the vacuum port.





8. Remove the fuel pressure regulator tube (2) from the following components:
^ Manifold vacuum source (1)
^ Fuel pressure regulator valve (3)





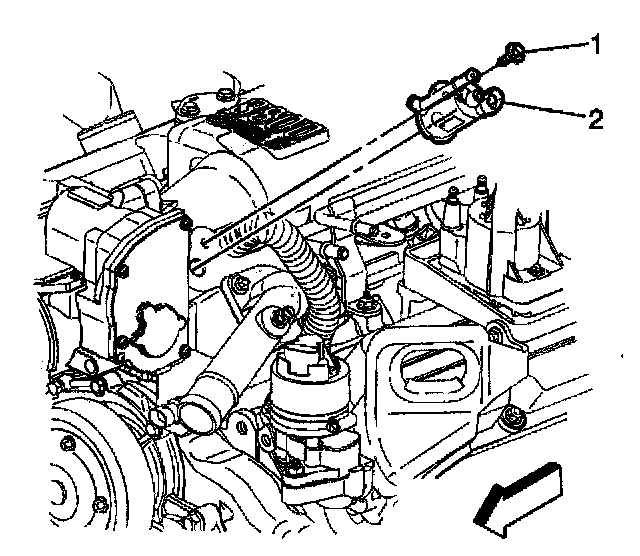
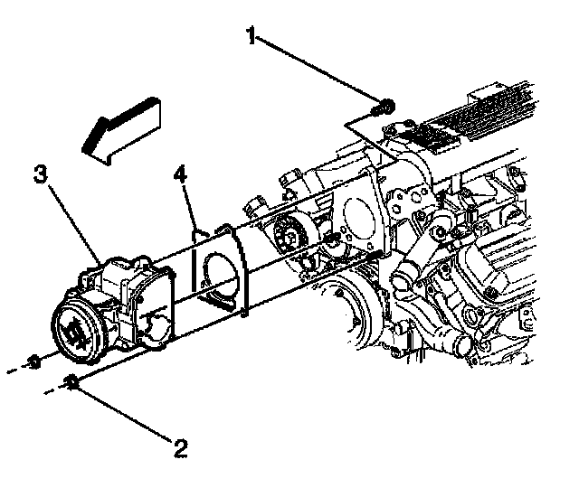
9. Remove the manifold vacuum source screws (2).
10. Remove the manifold vacuum source (1) from the upper intake manifold.





11. Disconnect the fuel injector electrical connectors (1) from the fuel injectors.
12. Disconnect the evaporative emission (EVAP) canister purge valve switch electrical connector (2).
13. Relieve the fuel pressure. Refer to Fuel Pressure Relief Procedure.





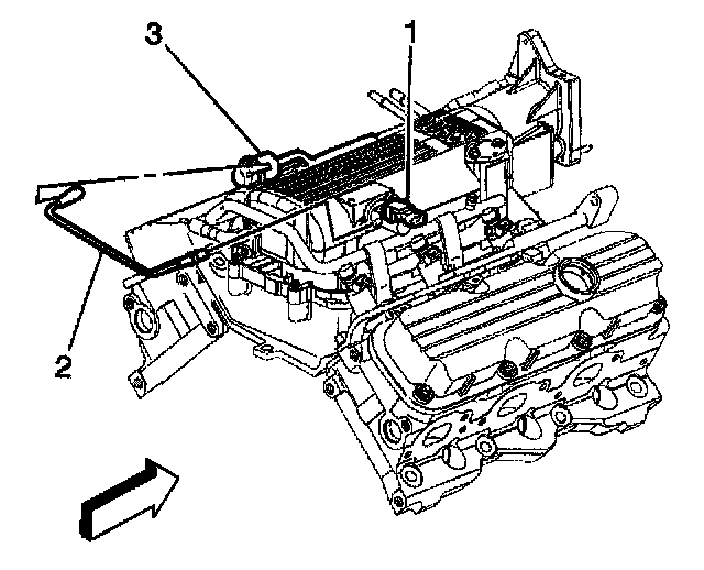
14. Disconnect the fuel lines (1) from the fuel rail using J 37088-A.
15. Disconnect the fuel vapor line (4) from the EVAP canister purge valve (5).





16. Remove the EVAP canister purge valve bolts (1).
17. Remove the EVAP canister purge valve (2) from the upper intake manifold.
18. Remove the ignition control module.





19. Reposition the brake booster hose clamp.
20. Remove the brake booster hose (2) from the upper intake manifold fitting (1).





21. Remove the captured secondary lock from the connector.
22. Disconnect the electronic throttle control (ETC) electrical connector (1).





23. Disconnect the following electrical connectors:
^ Mass airflow (MAF) sensor (1)
^ Engine coolant temperature (ECT) sensor (2)
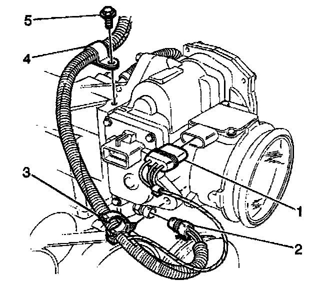
24. Remove the engine harness rosebud clip (3) from the throttle body.
25. Remove the engine harness clamp bolt (5) and harness clamp (4).
26. Reposition the engine wiring harness.
27. Remove the thermostat housing.
28. Disconnect the wiring harness rosebud clips from the fuel rail.
29. Reposition the wiring harness.





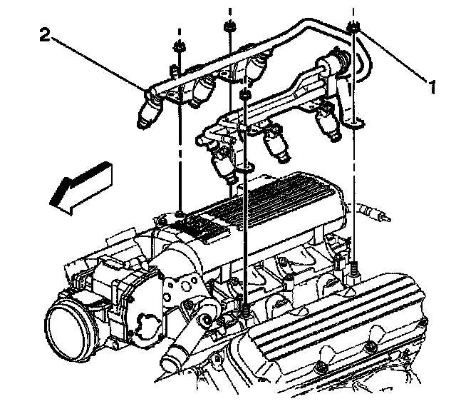
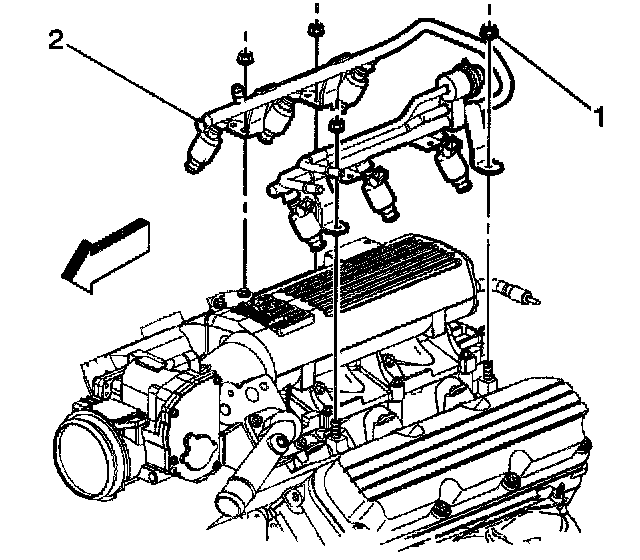
30. Remove the fuel rail nuts (1).

Important: Clean any dirt out of the injector bores with compressed air.

31. Remove the fuel rail (2) from the upper intake manifold.





32. Remove the throttle body bolt (1) and nuts (2).
33. Remove the throttle body (3) and gasket (4).





34. Remove the upper intake manifold bolts (1, 3, 4).
35. Remove the upper intake manifold (2).





36. Remove the upper intake manifold gasket (1).
37. Clean the upper and lower intake manifold sealing surfaces.





38. Remove the lower intake manifold O-rings seals (3, 4), if necessary.

Installation Procedure





1. Install new lower intake manifold O-ring seal (3, 4), if removed.





2. Install the upper intake manifold gasket (1).





3. Install the upper intake manifold (2) onto the lower intake manifold.

Notice: Refer to Fastener Notice in Service Precautions.

4. Install the upper intake manifold bolts (1, 3, 4).
^ Tighten the upper intake manifold bolt (3) to 15 Nm (11 ft. lbs.).
^ Tighten the nine upper intake manifold bolts (4) to 10 Nm (89 inch lbs.).
^ Tighten the two upper intake manifold bolts (1) to 30 Nm (22 ft. lbs.).





5. Install the throttle body (3) and gasket (4).
6. Install the throttle body bolt (1) and nuts (2).
^ Tighten the throttle body nuts (2) to 10 Nm (89 inch lbs.).
^ Tighten the throttle body bolt (1) to 10 Nm (89 inch lbs.).





7. Install the fuel rail (2) to the upper intake manifold.
8. Install the fuel rail nuts (1).
^ Tighten the fuel rail nuts (1) to 8.5 Nm (75 inch lbs.).
9. Position the wiring harness.
10. Connect the wiring harness rosebud clips from the fuel rail.
11. Install the thermostat housing.
12. Position the engine wiring harness.





13. Install the engine harness clamp (4) and harness clamp bolt (5).
^ Tighten the harness clamp bolt (5) to 6 Nm (53 inch lbs.).
14. Install the engine harness rosebud clip (3) to the throttle body.
15. Connect the following electrical connectors:
^ MAF sensor (1)
^ ECT sensor (2)





16. Connect the ETC electrical connector (1).
17. Install the captured secondary lock from the connector.





18. Install the brake booster hose (2) to the upper intake manifold fitting (1).
19. Position the brake booster hose clamp.
20. Install the ignition control module.





21. Install the EVAP canister purge valve (2) to the upper intake manifold.
22. Install the EVAP canister purge valve bolts (1).
^ Tighten the EVAP canister purge valve bolts (1) to 10 Nm( 89 inch lbs.).





23. Connect the fuel vapor line (4) to the EVAP canister purge valve (5).
24. Connect the fuel lines (1) to the fuel rail.





25. Connect the EVAP canister purge valve switch electrical connector (2).
26. Connect the fuel injector electrical connectors (1) to the fuel injectors.





27. Install the manifold vacuum source (1) to the upper intake manifold.
28. Install the manifold vacuum source screws (2).
^ Tighten the manifold vacuum source screws (2) to 10 Nm (89 inch lbs.).





29. Install the fuel pressure regulator tube (2) to the following components:
^ Manifold vacuum source (1)
^ Fuel pressure regulator valve (3)





30. Connect the engine harness vacuum tube (1) to the vacuum port.





31. Connect the MAP sensor electrical connector (2).
32. Connect the fuel injector electrical connectors (1) to the fuel injectors.
33. Install the drive belt tensioner. Refer to Drive Belt Tensioner Replacement.





34. Install the air intake duct.





35. Connect the IAT sensor electrical connector.
36. Refill the engine coolant.