Operation CHARM: Car repair manuals for everyone.
Manuals through 2025 now available!

Our trusted friends have launched a new website named LEMON, which has newer manuals. It also contains all the CHARM manuals.

LEMON is the spiritual successor to CHARM, I recommend you try it!

Link: lemon-manuals.la or lemon-manuals.org.ua

(Some people have issue connecting. LEMON is investigating. For now, use Firefox or change your DNS server)

Or, hide this message: temporarily or permanently

Compressor Replacement

REMOVAL PROCEDURE

IMPORTANT: Compressor related noise is generally air conditioning (A/C) system related and not always caused by the compressor itself. Prior to replacing compressor, refer to Noise Diagnosis - A/C System.




1. Recover the refrigerant.
2. Remove the serpentine drive belt.
3. Disconnect the electrical connector at the air conditioning (A/C) compressor.




4. Remove the negative battery cable nut from the engine block stud.
5. Remove the negative battery cable from the stud.
6. Raise and support the vehicle.




7. Remove the A/C compressor and condenser hose bolt.
8. Discard the O-ring.




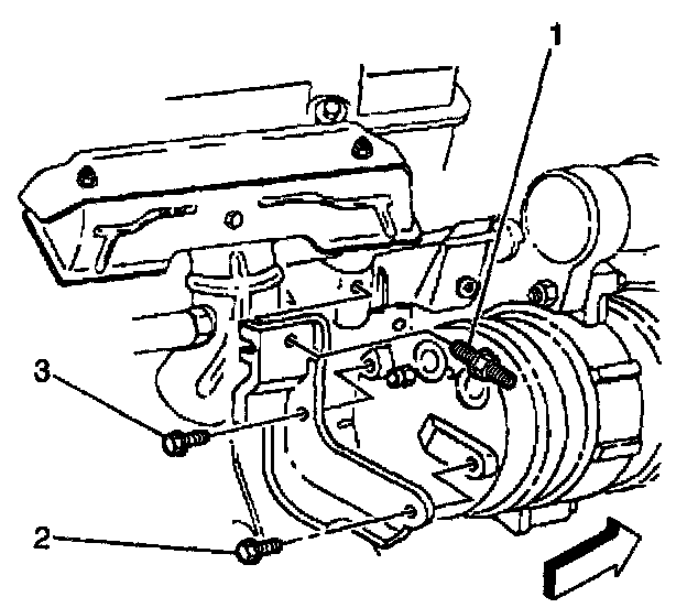
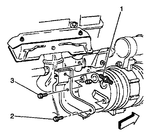
9. Remove the A/C compressor rear bolts (2, 3).




10. Remove the A/C compressor bolts.
11. Remove the A/C compressor.

INSTALLATION PROCEDURE

IMPORTANT: NEW A/C compressors are shipped WITHOUT Poly-Alkylene Glycol (PAG) oil.




1. If a NEW A/C compressor is being installed, add 60 ml (2 oz) of PAG oil to the compressor.
2. If reinstalling the old A/C compressor perform the following:
2.1. Drain, measure and record the amount of PAG oil in the A/C compressor.
2.2. If the measured amount of PAG oil drained is less than or equal to 60 ml (2 oz), add 60 ml (2 oz) of new, clean PAG oil to the A/C compressor.
2.3. If the measured amount of PAG oil drained is greater than 60 ml (2 oz), add the same amount of new, clean PAG oil to the A/C compressor.

NOTE: Refer to Fastener Notice in Service Precautions.

2.4. Install the compressor crankcase oil drain bolt to the replacement compressor.

Tighten
Tighten the compressor crankcase oil drain bolt to 20 N.m (15 lb ft).

3. Install the A/C compressor.
4. Install the A/C compressor bolts.

Tighten
Tighten the A/C compressor bolts to 50 N.m (37 lb ft).




5. Install the A/C compressor rear bolts (2, 3).

Tighten
Tighten the A/C compressor rear bolts (2, 3) to 30 N.m (22 lb ft).




6. Install a new O-ring.
Lightly coat the O-ring with a mineral base 525 viscosity refrigerant oil.
7. Install the A/C compressor and condenser hose bolt.

Tighten
Tighten the A/C compressor and condenser hose bolt to 33 N.m (24 lb ft).

8. Lower the vehicle.




9. Install the negative battery cable to the stud.
10. Install the negative battery cable nut to the engine block stud.

Tighten
Tighten the negative battery cable nut to the engine block stud to 25 N.m (18 lb ft).




11. Connect the electrical connector at the A/C compressor.
12. Install the serpentine drive belt.
13. Charge the A/C system.
14. Perform a leak test on the A/C system.