Operation CHARM: Car repair manuals for everyone.
Manuals through 2025 now available!

Our trusted friends have launched a new website named LEMON, which has newer manuals. It also contains all the CHARM manuals.

LEMON is the spiritual successor to CHARM, I recommend you try it!

Link: lemon-manuals.la or lemon-manuals.org.ua

(Some people have issue connecting. LEMON is investigating. For now, use Firefox or change your DNS server)

Or, hide this message: temporarily or permanently

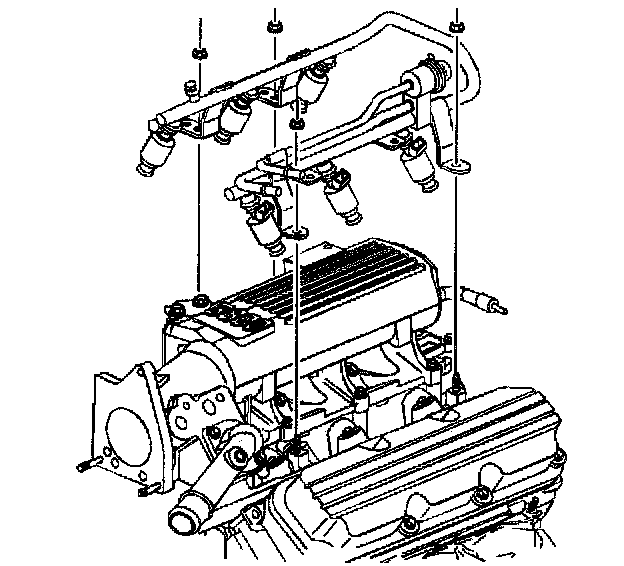
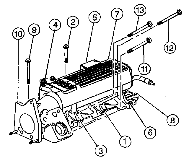
Intake Manifold

Lower and Upper Intake manifold Torque Specification and Sequence


Lower Intake




Tighten the bolts in sequence to 15 N-m (11 lb ft)




Tighten the Ignition Control Module bracket Bolts to 50 N-m (37 lb ft)
Tighten the Ignition Control Module nuts to 30 N-m (22 lb ft)

Upper Intake




Tighten the verticle bolts in sequence to 15 N-m (11 lb ft)
Tighten the two water outlet bolts in sequence to 27 N-m (20 lb ft)
Tighten the side bolts in sequence to 30 N-m (22 lb ft)




Tighten the Fuel Injector Rail nuts to 9 N-m (80 lb in)




Tighten the Throttle Body nuts and bolt to 10 N-m (89 lb in)




Tighten the EGR outlet pipe bolt and nut to 29 N-m (21 lb ft)

Thighten the rear Generator mounting bracket bolts to 50 N-m (37 lb ft)