Operation CHARM: Car repair manuals for everyone.
Manuals through 2025 now available!

Our trusted friends have launched a new website named LEMON, which has newer manuals. It also contains all the CHARM manuals.

LEMON is the spiritual successor to CHARM, I recommend you try it!

Link: lemon-manuals.la or lemon-manuals.org.ua

(Some people have issue connecting. LEMON is investigating. For now, use Firefox or change your DNS server)

Or, hide this message: temporarily or permanently

Automatic Transmission/Transaxle








Component Locator View






Electronic Component Locations









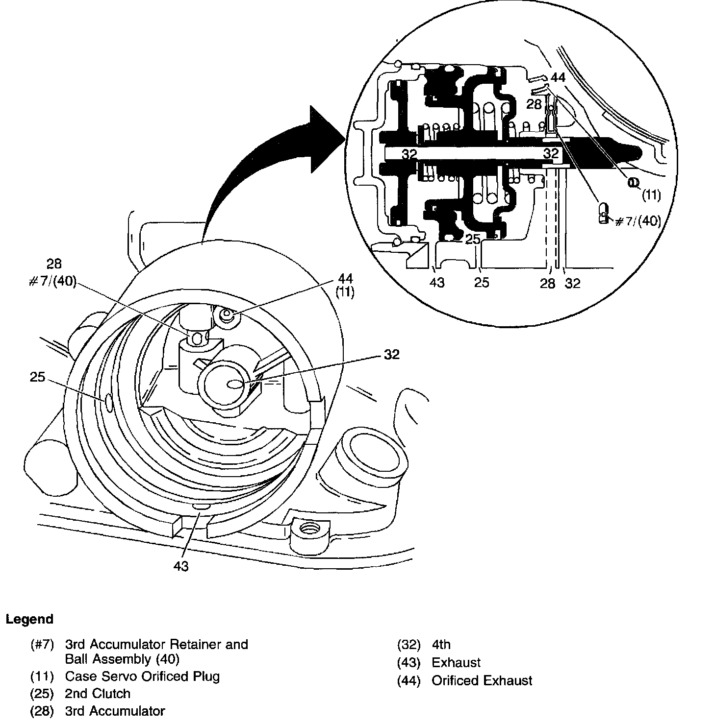
Case and Associated Parts (1 of 2)









Case and Associated Parts (2 of 2)









Oil Pump Assembly






Control Valve Body Assembly (1 of 2)






Control Valve Body Assembly (2 of 2)









Internal Parts (11 of 2)









Internal Parts (2 of 2)






Parking Lock and Manual Shift Shaft Assembly






Seal Locations






Bearings and Bushings






Torque Converter Housing Identification






Case Extension Identification









Valve Trains






Pump Body Fluid Passages (Pump Cover Side)






Pump Cover Fluid Passages (Pump Body Side)






Pump Cover Fluid Passages (Case Side)






Case Fluid Passages (Pump Cover Side)









Case Fluid Passages (Control Valve Body Side)









Spacer Plate to Case Gasket









Spacer Plate Fluid Passages









Spacer Plate to Control Valve Body Gasket









Control Valve Body Fluid Passages (Case Side)






2-4 Servo Fluid Passages






1-2 Accumulator Cover Fluid Passages