Operation CHARM: Car repair manuals for everyone.
Manuals through 2025 now available!

Our trusted friends have launched a new website named LEMON, which has newer manuals. It also contains all the CHARM manuals.

LEMON is the spiritual successor to CHARM, I recommend you try it!

Link: lemon-manuals.la or lemon-manuals.org.ua

(Some people have issue connecting. LEMON is investigating. For now, use Firefox or change your DNS server)

Or, hide this message: temporarily or permanently

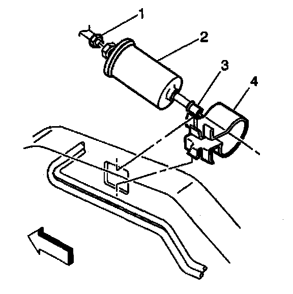
Fuel Filter: Service and Repair




REMOVAL PROCEDURE

IMPORTANT:
^ There is no service interval for fuel filter replacement. Only replace a restricted fuel filter.
^ Inspect the fuel tank internally and clean the fuel tank if you find a restricted fuel filter.

Tools Required
J 34730-1A Fuel Pressure Gauge

CAUTION: Refer to the Battery Disconnect Caution in Service Precautions.

1. Disconnect the negative battery cable.
2. Relieve the fuel system pressure. Refer to the Fuel Pressure Relief Procedure. Service and Repair
3. Raise the vehicle. Refer to Lifting and Jacking the Vehicle in General Information.
4. Clean all the fuel filter connections and the surrounding areas before disconnecting the fuel pipes in order to avoid possible contamination of the fuel system.
5. Disconnect the quick-connect fitting at the fuel fitter inlet (3).
6. Disconnect the threaded fitting (1) from the fuel filter outlet.
7. Cap the fuel pipes in order to prevent possible fuel system contamination.
8. Slide the fuel filter (2) from the bracket (4).
9. Remove the fuel pipe O-ring.

INSTALLATION PROCEDURE
1. Slide the fuel filter (2) into the bracket (4).
2. Remove the caps from the fuel pipes.
3. Lubricate the new fuel pipe O-ring with clean engine oil.
4. Install the fuel pipe O-ring.

NOTE: Refer to the Fastener Notice in Service Precautions.

5. Connect the threaded fitting (1) to the fuel filter outlet.

Tighten
Tighten the fuel filter fitting to 30 N.m (22 lb ft).

6. Connect the quick-connect fitting to the fuel filter inlet (3).
7. Lower the vehicle.
8. Tighten the fuel filler cap.
9. Connect the negative battery cable.
10. Inspect for leaks.
10.1. Turn the ignition switch ON for 2 seconds.
10.2. Turn the ignition switch OFF for 10 seconds.
10.3. Turn the ignition switch ON.
10.4. Check for fuel leaks.
11. Perform the Idle Learn Procedure. Refer to PCM Idle Learn Procedure. PCM Idle Learn Procedure