Operation CHARM: Car repair manuals for everyone.
Manuals through 2025 now available!

Our trusted friends have launched a new website named LEMON, which has newer manuals. It also contains all the CHARM manuals.

LEMON is the spiritual successor to CHARM, I recommend you try it!

Link: lemon-manuals.la or lemon-manuals.org.ua

(Some people have issue connecting. LEMON is investigating. For now, use Firefox or change your DNS server)

Or, hide this message: temporarily or permanently

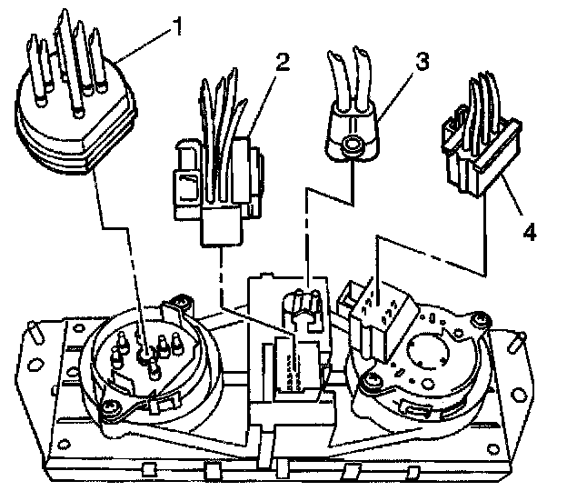
Control Assembly: Service and Repair

REMOVAL PROCEDURE




1. Remove the accessory trim plate.
2. Remove the two control assembly screws (1).
3. Remove the control assembly away from the instrument panel (2).




4. Disconnect the vacuum hose harness connector (1) from control assembly.
5. Disconnect the vacuum hose harness two hose connector (2) from the control assembly.
6. Disconnect the blower motor switch electrical connector (4) from the control assembly.
7. Disconnect the rear defroster control electrical connector (3) from the control assembly.

INSTALLATION PROCEDURE




1. Connect the vacuum hose harness connector (1) to control assembly.
2. Connect the vacuum hose harness two hose connector (2) to the control assembly. Secure the connector on the tab.
3. connect the blower motor switch electrical connector (4) to the control assembly.
4. Connect the rear defroster control electrical connector (3) to the control assembly.




5. Install the control assembly to the instrument panel (2).

NOTE: Refer to Fastener Notice in Service Precautions.

6. Install the control assembly retaining screws.

Tighten
Tighten the control assembly screws to 2 N.m (18 lb in).

7. Install the accessory trim plate.