Operation CHARM: Car repair manuals for everyone.
Manuals through 2025 now available!

Our trusted friends have launched a new website named LEMON, which has newer manuals. It also contains all the CHARM manuals.

LEMON is the spiritual successor to CHARM, I recommend you try it!

Link: lemon-manuals.la or lemon-manuals.org.ua

(Some people have issue connecting. LEMON is investigating. For now, use Firefox or change your DNS server)

Or, hide this message: temporarily or permanently

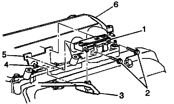
Manifold Pressure/Vacuum Sensor: Service and Repair




REMOVAL PROCEDURE
1. Turn OFF the ignition.
2. Remove the MAP sensor vacuum line (3).
3. Disconnect the electrical connector.
4. Remove the bolts (2).
5. Remove the MAP sensor (1).

INSTALLATION PROCEDURE
1. Install the bolts (2).
2. Install the MAP sensor vacuum line (3).
3. Connect the MAP sensor electrical connector.