Operation CHARM: Car repair manuals for everyone.
Manuals through 2025 now available!

Our trusted friends have launched a new website named LEMON, which has newer manuals. It also contains all the CHARM manuals.

LEMON is the spiritual successor to CHARM, I recommend you try it!

Link: lemon-manuals.la or lemon-manuals.org.ua

(Some people have issue connecting. LEMON is investigating. For now, use Firefox or change your DNS server)

Or, hide this message: temporarily or permanently

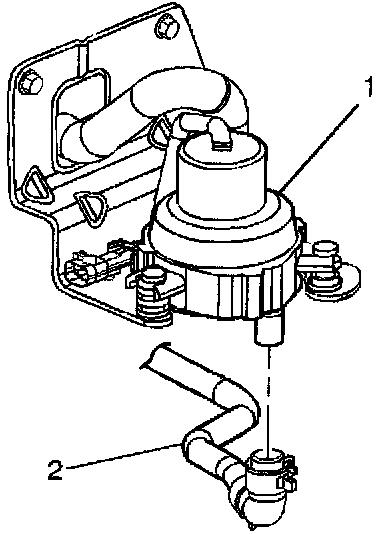
Air Injection Pump: Service and Repair

REMOVAL PROCEDURE




1. Turn OFF the ignition.
2. Remove the retaining screws from the front portion of the left front wheel well/splash shield.
3. Lower the splash shield far enough to gain access to the AIR pump assembly.
4. Loosen and lower the AIR exhaust pipe (2) hose pinch clamp.
5. Disconnect the AIR exhaust pipe (2) from the AIR pump (1).
6. Disconnect the AIR pump electrical connector.




7. Remove the 3 AIR pump (2) mounting bolts (1).

NOTE: Do not operate the AIR pump for more than 60 seconds. Continuous operation of the AIR pump in excess of 60 seconds will damage the AIR pump.

8. Remove the AIR pump and bracket as an assembly.

INSTALLATION PROCEDURE

NOTE: Refer to Fastener Notice in Service Precautions.




1. Attach the AIR pump and bracket assembly (2) to the frame rail using the 3 attaching bolts (1).

Tighten
Tighten the attaching bolts to 10 N.m (89 lb in).

2. Connect the AIR pump electrical connector.




3. Attach the AIR exhaust pipe (2) to the AIR pump (1) outlet port.
4. Place the AIR exhaust pipe pinch clamp around the AIR pump outlet port and exhaust hose connection.
5. Raise the wheel well/splash shield into position.
6. Re-install the wheel well/splash shield retaining screws.