Operation CHARM: Car repair manuals for everyone.
Manuals through 2025 now available!

Our trusted friends have launched a new website named LEMON, which has newer manuals. It also contains all the CHARM manuals.

LEMON is the spiritual successor to CHARM, I recommend you try it!

Link: lemon-manuals.la or lemon-manuals.org.ua

(Some people have issue connecting. LEMON is investigating. For now, use Firefox or change your DNS server)

Or, hide this message: temporarily or permanently

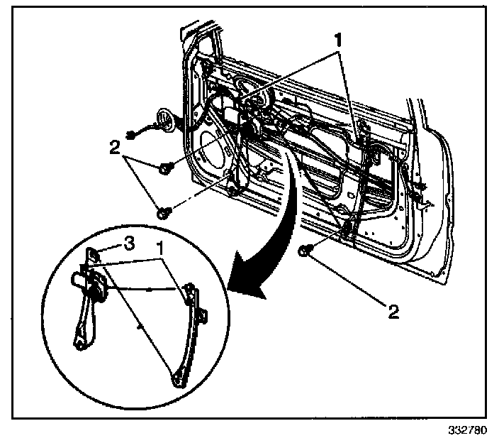
Window Channel Replacement - Front Side Rear

REMOVAL PROCEDURE




1. Remove the door trim panel.
2. Remove the run channel weather strip from the window (1).
3. Remove the front window.
4. Remove the rear run channel bolt (2). Remove the channel (1).

INSTALLATION PROCEDURE




1. Install the rear run channel (1). Secure with the channel bolt (2).
2. Install the front window.
3. Install the run channel weather strip to the window (1).
4. Install the door trim panel.