Operation CHARM: Car repair manuals for everyone.
Manuals through 2025 now available!

Our trusted friends have launched a new website named LEMON, which has newer manuals. It also contains all the CHARM manuals.

LEMON is the spiritual successor to CHARM, I recommend you try it!

Link: lemon-manuals.la or lemon-manuals.org.ua

(Some people have issue connecting. LEMON is investigating. For now, use Firefox or change your DNS server)

Or, hide this message: temporarily or permanently

PCM Controlled A/C Circuit Diagnosis

Diagnostic Chart:




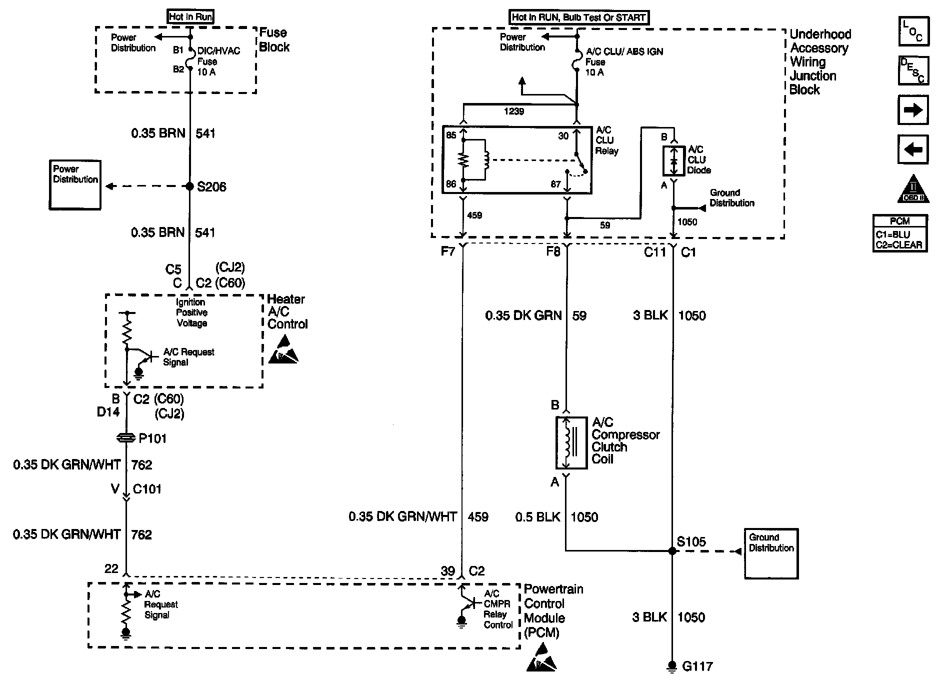
Engine Controls Schematics: Heater A/C Control and A/C Compressor Clutch Coil:






CIRCUIT DESCRIPTION
When an A/C mode is selected, the A/C control head or the A/C programmer supplies a 12 volt signal to the PCM A/C request input. The A/C compressor clutch relay is controlled by the PCM. The PCM provides a ground path for the A/C relay coil. When the A/C relay is engaged, battery voltage is supplied to the compressor clutch coil. The PCM will enable the A/C compressor clutch whenever the engine is running and the A/C has been requested unless one or more of the following conditions are present:
^ Throttle angle is greater than 96 percent.
^ A/C head pressure is greater than 440 psi (4.6 volts) or less than 32 psi (0.3 volt) (as determined by the A/C refrigerant pressure sensor).
^ Ignition 1 voltage is below 10 volts.
^ Engine speed is greater than 4392 RPM for less than 1 second.
^ Engine speed is greater then 4400 RPM for any amount of time.
^ ECT is greater than 124°C (255°F).
^ IAT is less than 5°C (41°F).

Any of the conditions described above will inhibit A/C compressor relay operation.

DIAGNOSTIC AIDS
Inspect for the following conditions:
^ Poor connection at the PCM. Inspect harness connectors for backed out terminals, improper mating, broken locks, improperly formed or damaged terminals, and poor terminal to wire connection.
^ Damaged harness. Inspect the wiring harness for damage.
^ If the harness appears to be OK, disconnect the PCM, turn the ignition ON and observe a Digital Multimeter (DMM) connected to the A/C relay control circuit at the PCM harness connector while moving connectors and wiring harnesses related to the A/C relay. A change in voltage will indicate the location of the malfunction.

Inspect for conditions that will disable A/C operation:
^ Throttle angle is greater than 96 percent.
^ A/C head pressure is greater than 440 psi (4.6 volts) or less than 32 psi (0.3 volt) (as determined by the A/C refrigerant pressure sensor).
^ Ignition 1 voltage is below 10 volts.
^ Engine speed is greater than 4392 RPM for less than 1 seconds.
^ Engine speed is greater then 4400 RPM for any amount of time.
^ ECT is greater than 124°C (255°F).
^ IAT is less than 5°C (41°F).