Operation CHARM: Car repair manuals for everyone.
Manuals through 2025 now available!

Our trusted friends have launched a new website named LEMON, which has newer manuals. It also contains all the CHARM manuals.

LEMON is the spiritual successor to CHARM, I recommend you try it!

Link: lemon-manuals.la or lemon-manuals.org.ua

(Some people have issue connecting. LEMON is investigating. For now, use Firefox or change your DNS server)

Or, hide this message: temporarily or permanently

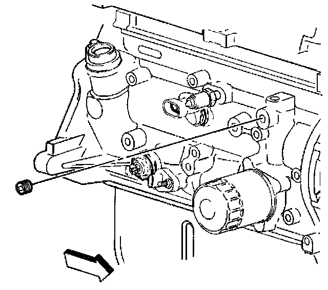
48. Engine Block Plug Installation





1. Apply gasket paste GM P/N 12346004 to the plug before installation.

Notice: Refer to Fastener Notice in Service Precautions.

2. Install the engine block coolant drain plug.
^ Tighten the coolant jacket plug to 15 Nm (11 ft. lbs.).





3. Apply gasket paste GM P/N 12345493 to the plugs before installation.
4. Install the cooling jacket core plugs.
5. Drive the plugs into the block until they are flush using a drift that closely matches the inside diameter of the plug.





6. Apply gasket paste GM P/N 12346004 to the plug.
7. Install the front oil passage plug and the engine front cover alignment dowels.

Important: The front oil passage plug is a special type with a lubrication hole for the timing chain.

8. Do not install any other type of plug in this oil passage.





9. Apply gasket paste GM P/N 12346004 to the plug before installation.
10. Install the upper oil passage plug.
^ Tighten the oil passage plug to 21 Nm (15 ft. lbs.).





11. Apply gasket paste GM P/N 12346004 to the plug before installation.
12. Install the right side oil passage plug.
^ Tighten the oil passage plug to 21 Nm (15 ft. lbs.).





13. Apply gasket paste GM P/N 12346004 to the plugs before installation.
14. Install the rear oil passage plugs.
^ Tighten the large oil passage plug to 33 Nm (24 ft. lbs.).
^ Tighten the small oil passage plug to 15 Nm (11 ft. lbs.).





15. Install the camshaft rear cover.
^ Tighten the camshaft rear cover bolts to 12 Nm (106 inch lbs.).