Operation CHARM: Car repair manuals for everyone.
Manuals through 2025 now available!

Our trusted friends have launched a new website named LEMON, which has newer manuals. It also contains all the CHARM manuals.

LEMON is the spiritual successor to CHARM, I recommend you try it!

Link: lemon-manuals.la or lemon-manuals.org.ua

(Some people have issue connecting. LEMON is investigating. For now, use Firefox or change your DNS server)

Or, hide this message: temporarily or permanently

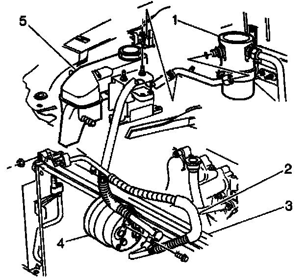
Compressor Hose Assembly Replacement

REMOVAL PROCEDURE




1. Recover the refrigerant. Refer to Refrigerant Recovery and Recharging.
2. Raise the vehicle. Refer to Lifting and Jacking the Vehicle in General Information.
3. Remove the bolt holding the compressor hose assembly to the compressor.
4. Remove the compressor hose assembly from the compressor.
5. Remove and discard the sealing washers.
6. Lower the vehicle.
7. Remove the upper tiller panel. Refer to Hood Close Out Filler Replacement in Body Front End.
8. Remove the cruise control module out of the way, if equipped.
9. Disconnect the refrigerant pressure sensor electrical connector.
10. Remove the nut holding the compressor hose assembly fitting to the condenser.
11. Remove the compressor hose assembly (2) from the condenser.
12. Remove and discard the O-Ring seal.
13. Remove the fitting nut for the compressor hose assembly to accumulator (1).
14. Remove the compressor hose assembly from the accumulator (1).
15. Remove and discard the O-Ring seals.
16. Remove the compressor hose assembly from the vehicle.

INSTALLATION PROCEDURE




1. Position the compressor hose assembly (2).
2. Install a NEW O-Ring seal on the compressor hose assembly to accumulator.

NOTE: Refer to Fastener Notice in Service Precautions.

3. Install the compressor hose assembly and the fitting nut to the accumulator.

Tighten
Tighten the fitting nut to 35 N.m (26 lb ft).

4. Install a NEW O-Ring seal on the compressor hose assembly to condenser fitting.
5. Install the compressor hose assembly to the condenser.
6. Install the fitting nut for the compressor hose assembly to the condenser.

Tighten
Tighten the compressor hose assembly to the condenser fitting nut to 16 N.m (12 lb ft).

7. Raise the vehicle.
8. Install NEW sealing washers on the compressor ports.
9. Install the compressor hose assembly to the compressor.
10. Install the bolt holding the compressor hose assembly to the compressor.

Tighten
Tighten the compressor hose block fitting bolt to 33 N.m (24 lb ft).

11. Lower the vehicle.
12. Connect the refrigerant pressure sensor electrical connector.
13. Install the cruise control module.
14. Install the upper filler panel. Refer to Hood Close Out Filler Replacement in Body Front End.
15. Evacuate and recharge the A/C system. Refer to Refrigerant Recovery and Recharging.
16. Perform the system check. Refer to Cooling Insufficient, A/C System.
17. Perform the leak test. Refer to Leak Testing.