Operation CHARM: Car repair manuals for everyone.
Manuals through 2025 now available!

Our trusted friends have launched a new website named LEMON, which has newer manuals. It also contains all the CHARM manuals.

LEMON is the spiritual successor to CHARM, I recommend you try it!

Link: lemon-manuals.la or lemon-manuals.org.ua

(Some people have issue connecting. LEMON is investigating. For now, use Firefox or change your DNS server)

Or, hide this message: temporarily or permanently

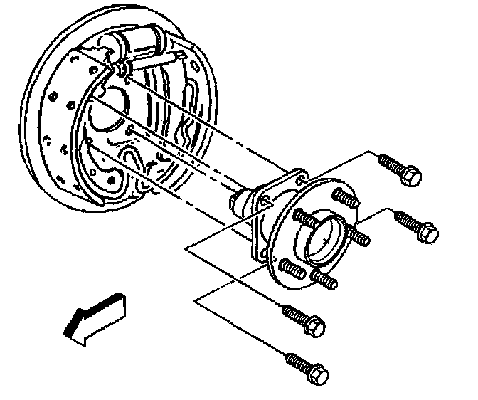
Backing Plate: Service and Repair

Brake Backing Plate Replacement

^ Tools Required
- J37043 Parking Brake Cable Release Tool

Removal Procedure

Notice: Do not pry against the splash shield or backing plate in attempt to free the drum. This will bend the splash shield or backing plate. A bent backing plate may cause brake chatter and/or pulsation.

1. Raise and support the vehicle. Refer to Vehicle Lifting.
2. Remove the tire and wheel.
3. Remove the brake drum.
4. Remove the brake shoes.
5. Remove the park brake cable from the park brake actuator lever.





6. Using the J37043, remove the park brake cable ONLY from the backing plate.





7. Remove the wheel cylinder (3).
8. Remove the wheel bearing/hub.





9. Remove the backing plate.

Installation Procedure





1. Install the backing plate.
2. Install the wheel bearing/hub.
3. Install the wheel cylinder.
4. Install the park brake cable to the backing plate.





5. Install the park brake cable (6) to the park brake actuator (5).
6. Install the brake shoes.
7. Install the brake drum.
8. Install the tire and wheel.
9. Lower the vehicle.