Operation CHARM: Car repair manuals for everyone.
Manuals through 2025 now available!

Our trusted friends have launched a new website named LEMON, which has newer manuals. It also contains all the CHARM manuals.

LEMON is the spiritual successor to CHARM, I recommend you try it!

Link: lemon-manuals.la or lemon-manuals.org.ua

(Some people have issue connecting. LEMON is investigating. For now, use Firefox or change your DNS server)

Or, hide this message: temporarily or permanently

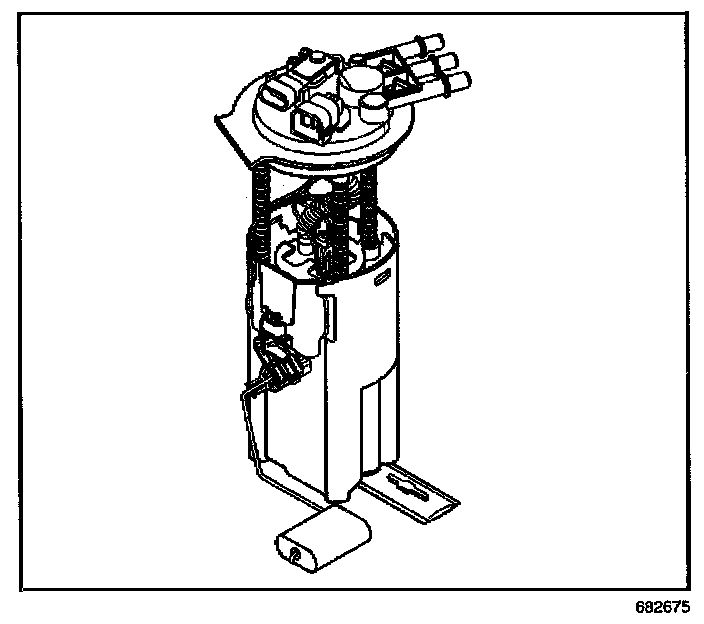
Fuel Tank Unit: Service and Repair

FUEL SENDER ASSEMBLY REPLACEMENT

REMOVAL PROCEDURE

NOTE: Do Not handle the fuel sender assembly by the fuel pipes. The amount of leverage generated by handling the fuel pipes could damage the joints.

IMPORTANT: Always replace the fuel sender seal when reinstalling the fuel sender assembly.




1. Remove the fuel tank.
2. Remove the fuel sender shield from the fuel tank.
3. Disconnect the quick-connect fittings at the fuel sender assembly.
4. Disconnect the fuel tank pressure (FTP) sensor electrical connector.

IMPORTANT: The fuel sender assembly will spring up when the fuel sender assembly lock ring is removed.

5. Disconnect the fuel sender sensor electrical connector.
6. Remove the fuel sender assembly lock ring.

NOTE: Do Not handle the fuel sender assembly by the fuel pipes. The amount of leverage generated by handling the fuel pipes could damage the joints.

IMPORTANT: When removing the fuel sender assembly from the fuel tank, the reservoir on the fuel sender is full of fuel. The fuel sender must be tipped slightly during removal in order to avoid damage to the float. Place any remaining fuel in an approved container, once the fuel sender has been removed from the fuel tank.

7. Remove the fuel sender assembly, and the fuel sender seal from the fuel tank.
8. Discard the fuel sender seal.

INSTALLATION PROCEDURE




1. Clean the fuel sender assembly sealing surfaces.
2. Position the new fuel sender assembly seal on the fuel tank.

IMPORTANT: Care should be taken not to fold over or twist the fuel pump strainer when installing the fuel sender assembly, as this will restrict fuel flow. Also, assure that the fuel pump strainer does not block full travel of float arm.

3. Install the fuel sender assembly and the fuel sender assembly locking nut.
4. Connect the quick-connect fittings at the fuel sender assembly.
5. Connect the fuel sender sensor electrical connector
6. Connect the FTP sensor electrical connector.

NOTE: Refer to Fastener Notice in Service Precautions.

7. Install the fuel sender shield to the fuel tank.

Tighten
Tighten the shield nuts to 6 N.m (53 lb in).

8. Install the fuel tank.