Operation CHARM: Car repair manuals for everyone.
Manuals through 2025 now available!

Our trusted friends have launched a new website named LEMON, which has newer manuals. It also contains all the CHARM manuals.

LEMON is the spiritual successor to CHARM, I recommend you try it!

Link: lemon-manuals.la or lemon-manuals.org.ua

(Some people have issue connecting. LEMON is investigating. For now, use Firefox or change your DNS server)

Or, hide this message: temporarily or permanently

LH

REMOVAL PROCEDURE

CAUTION: Refer to SIR Inflator Module Handling And Storage Caution in Service Precautions.




1. Disable the SIR system.
2. Remove the driver seat.
3. Remove the J-clip that is along the lower rear seat back.
4. Remove the seat back cover.
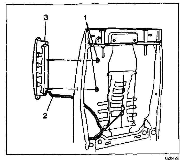
5. Remove the driver side air bag fasteners (1).
6. Note the routing of the driver side air bag wiring harness (2) and retaining clip attachments within the driver seat.
7. Remove the driver side air bag wiring harness retaining clips from the driver seat frame.
8. Gently pull the driver side air bag wiring harness (2) up into the seat back while guiding the harness through the wire triangle of the seat frame.
9. Remove the driver side air bag (3) from the driver seat back frame.

INSTALLATION PROCEDURE




1. Install the driver side air bag (3) to the seat while guiding the driver side air bag wiring harness (2) through the trip cup.

NOTE: Refer to Fastener Notice in Service Precautions.

2. Install the driver side air bag fasteners (1).

Tighten
Tighten the driver side air bag fasteners (1) to 10 N.m (89 lb in).

3. Gently pull the driver side air bag wiring harness (2) down into the seat cushion while guiding the harness through the wire triangle of the seat frame.
4. Install the harness retaining clips to the seat frame.
5. Install the seat back cover.
6. Connect together the J-clip that is along the lower rear seat back.
7. Install the driver seat.
8. Enable the SIR system.