Operation CHARM: Car repair manuals for everyone.
Manuals through 2025 now available!

Our trusted friends have launched a new website named LEMON, which has newer manuals. It also contains all the CHARM manuals.

LEMON is the spiritual successor to CHARM, I recommend you try it!

Link: lemon-manuals.la or lemon-manuals.org.ua

(Some people have issue connecting. LEMON is investigating. For now, use Firefox or change your DNS server)

Or, hide this message: temporarily or permanently

Inflatable Restraint Steering Wheel Module Replacement

TOOLS REQUIRED
J 44298 Driver Air Bag Removal Tool

REMOVAL PROCEDURE

CAUTION: Refer to SIR Inflator Module Handling And Storage Caution in Service Precautions.




1. Disable the SIR system.
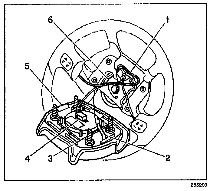
2. On back side of steering wheel there are four openings/holes for removing the driver inflator module.
3. Place the steering wheel so that two of the opening/holes are on top.
4. Adjust and install J44298 into two of the holes.

IMPORTANT: Air bag removal tool must be seated all the way in to perform properly.

5. Push the handle back towards IP releasing the two spring loaded fasteners at the same time.
6. Turn the steering wheel and open air bag tool, use one of the tool fingers to remove cruise control lever cover in order to gain access.
7. Place air bag removal tool and insert into place around cruise control lever and repeat the same steps that were used on other two opening/holes.
8. Pull the driver inflator module gently away from the steering wheel.

IMPORTANT: Note the driver inflator wire routing positions, the redundant control routing positions, and the horn wire routing positions for the correct re-assembly.




9. Remove the Connector Position Assurance (CPA) (4) and driver inflator module electrical connector.
10. Remove the horn grounded lead (2) from the threaded hole in the steering wheel.
11. Rotate the horn contact lead counterclockwise 1/4 turn.
12. Remove the horn contact lead (2) from the steering column cam tower.
13. Remove the inflatable restraint steering wheel module (5).

INSTALLATION PROCEDURE




1. Connect the horn ground lead (2) into the lower left threaded hole in the steering wheel.
2. Connect the horn contact lead into the steering column cam tower.
3. Rotate the horn contact turn 1/4 turn clockwise to lock.
4. Connect the inflator module electrical connector and CPA (4).

IMPORTANT: Route the driver inflator wires, the redundant control wires, and the horn wires correctly.

5. Align the driver inflator module fasteners to the steering column fastener holes.
6. Push the driver inflator module firmly into the steering column in order that the fasteners engage.
7. Enable the SIR system.