Operation CHARM: Car repair manuals for everyone.
Manuals through 2025 now available!

Our trusted friends have launched a new website named LEMON, which has newer manuals. It also contains all the CHARM manuals.

LEMON is the spiritual successor to CHARM, I recommend you try it!

Link: lemon-manuals.la or lemon-manuals.org.ua

(Some people have issue connecting. LEMON is investigating. For now, use Firefox or change your DNS server)

Or, hide this message: temporarily or permanently

Transfer Case Disassemble

Transfer Case Disassemble

^ Tools Required
- J 2619-01 Slide Hammer
- J 5590 Crankshaft Sprocket Installer
- J 22912-01 Split Plate Bearing Puller
- J 44380 Bearing Race Remover
- J 44737 Bearing Remover
- J 44754 Bearing Remover
- J 44755 Holding Fixture





1. Remove the drain plug (1) from the extension housing. Allow the gear oil to drain.





2. Remove the drain plug (1) from the case-left.
Allow the transmission oil to drain.





3. Install the transfer case assembly (1) onto the J 44755 (3). Position the carrier onto the post of the fixture.

Notice: Refer to Fastener Notice in Service Precautions.

4. Install the retaining bolts (2).
^ Tighten the bolts to 50 Nm (37 ft. lbs.).





5. Remove the hose and clamp assembly (1), vent hose (2), and bolt (3).





6. Remove the speed sensor (1).
7. Remove the O-ring seal from the sensor, if required. The O-ring seal may be reused if not cut or damaged.





8. Remove the extension housing assembly (1), bolts (3), and shim (2). Mark or tag the shim for assembly.





9. If reusing the drivenshaft bearings, measure in both directions, the rotating torque of the drivenshaft and record the value for assembly.





10. Install the extension housing assembly (3) and the M8 x 1.25 bolts (1) to the J 44755 (2).
^ Tighten the bolts to 25 Nm (18 ft. lbs.).





11. Remove the nut (1).
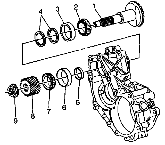
12. Remove the extension housing assembly and bolts from J 44 755.





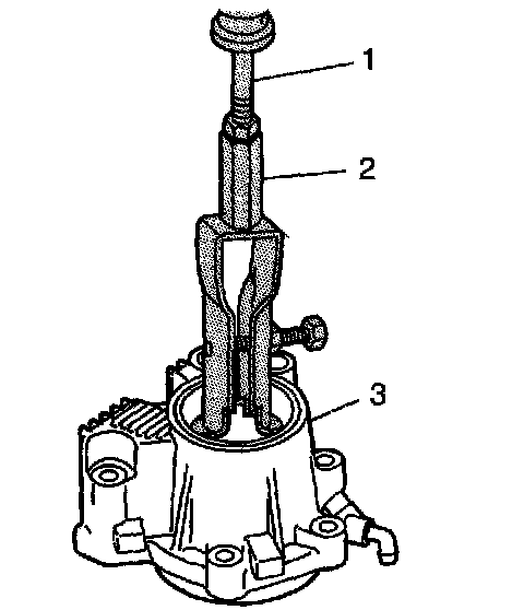
13. Position the extension housing assembly into a press.





14. Remove the flange (1), spacer (5), and shaft (9) from the housing (6). Discard the spacer (5).
15. Remove the oil seal (2) and bearing (3).





16. Use the J 44380 (2) and the J 2619-01 (1) in order to remove the bearing races from the housing (3), if required.





17. Install J22912-01 (1) or equivalent onto the shaft.
18. Position the shaft into a press.
19. Remove the bearing from the shaft.





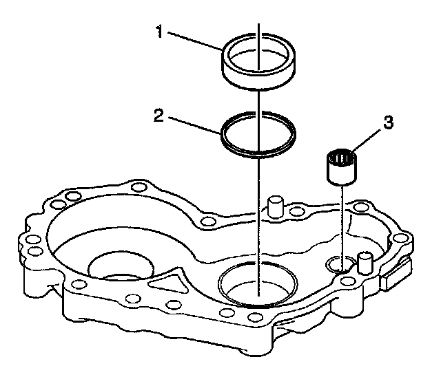
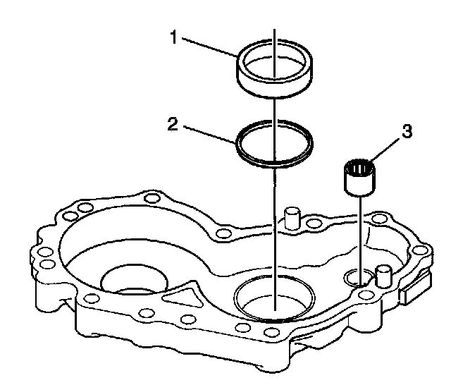
20. Remove the bolts (11 and 5), housing (2), shim (3), and O-ring seal (4) from the case-left. Mark or tag the shim for assembly.





21. Remove the bolts (1) from the case.





Important: When separating the case halves, avoid damage to the sealing surfaces. Do not insert a screwdriver or prying tool between the case sealing surfaces.

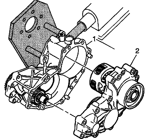
22. Rotate the J 44755 90 degrees.
23. Separate the case-right (2) from the case-left (1).





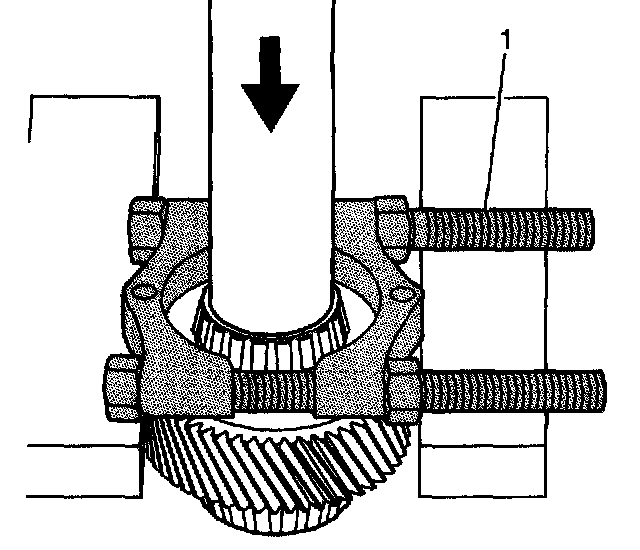
24. Remove the idler gear (1) from the case-right.





25. Note the installed position of the idler gear. The side of the gear with the longer flange area (1) is to be installed to the case-right.





26. Install the J 22912-01 (1) onto the gear.
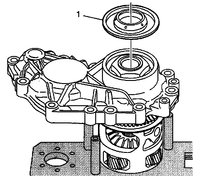
27. Position the gear into a press.





28. Remove the bearings (1 and 3) from the gear (2).





29. Install the case-left (2) onto the J 44755 (1). Align the notched area of the tool with the flat areas of the driveshaft.





30. Remove the nut (1) from the driveshaft.





31. Position the case-left into a press.





32. Remove the gear (8), bearing (7), shim (5), and shaft (1) from the case-left. Mark or tag the shim for assembly.





33. Use the J 44380 (2) and the J 2619-01 (1) in order to remove the bearing races from the case-left (3).





34. Remove the oil seals (4) from the case-left.





35. Install the J 22912-01 (1) or equivalent onto the shaft.
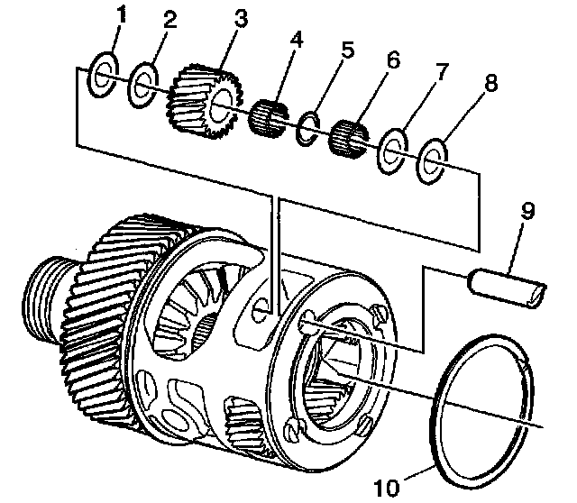
36. Position the shaft into a press.
37. Remove the bearing from the shaft.





38. Install J 44380 (2) into the case-left idler gear bearing race.
39. Install J2619-01 (1) to J44380 (2).





40. Remove the idler gear bearing race (1) from the case-left.





41. Install the case-right (1) onto the J 44755 (2).
Position the carrier onto the post of the fixture.





42. Remove the oil seal (1) from the case-right.





43. Remove the nut (1) from the carrier.





44. Position the case-right into a press.
45. Install the J 5590 (1) to the differential carrier.





46. Remove the bearing (2), shim (6) and differential carrier (8) from the case-right (4). Mark or tag the shim for assembly.





47. Use the J 44380 (2) and the J 2619-01 (1) in order to remove the bearing races from the case-right (3), if required.





48. Install the J 44754 (1) over the differential carrier bearing.





49. Install the J 22912-01 (3) over the J 44754 (2). Tighten until snug.
50. Position the carrier and J 5590 (1) into a press in order to remove the bearing.





51. Install the J 44380 (2) into the case-right idler gear bearing race.
52. Install J 2619-01 (1) to J 44380 (2).





53. Remove the bearing race (1) and shim (2). Mark or tag the shim for assembly.





54. Install the J 44737 (2) into the driveshaft bearing. Tighten the tool until snug.
55. Install the J 2619-01 (1) to the J 44737 (2).





56. Remove the bearing (3) from the case-right.





57. Remove the roll pin (2) and shaft (1) from the differential carrier, if required.





58. Remove the side gears (2), pinion gears (3), and washers (1 and 4) from the carrier, if required.





59. Remove the ring (10) from the carrier, if required.
60. Remove the pin (9), gear (3) and washers (1, 2, 7, and 8) from the carrier, if required.
61. Remove the needle bearings (4 and 6) and washer (5) from the gear (3), if required.