Operation CHARM: Car repair manuals for everyone.
Manuals through 2025 now available!

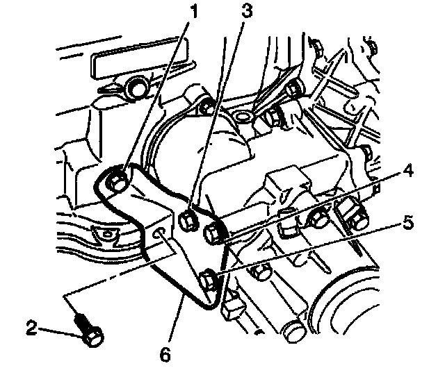
Our trusted friends have launched a new website named LEMON, which has newer manuals. It also contains all the CHARM manuals.

LEMON is the spiritual successor to CHARM, I recommend you try it!

Link: lemon-manuals.la or lemon-manuals.org.ua

(Some people have issue connecting. LEMON is investigating. For now, use Firefox or change your DNS server)

Or, hide this message: temporarily or permanently

Transfer Case Assembly Replacement

Transfer Case Assembly Replacement

Removal Procedure





1. Raise and support the vehicle. Refer to Vehicle Lifting.
2. Remove propeller shaft.

Important: Transmission oil circulates between the transmission assembly and the transfer case differential carrier and three helical gear set. In situations where transmission related failures circulate fiber type debris, such as clutch friction disc material into the transfer case, the helical gear portion of the transfer case must be disassembled, cleaned, and inspected for damage. In situations where transmission or transfer case related failures circulate metal type debris, such as bearing material, repair or overhaul of both components may be required.

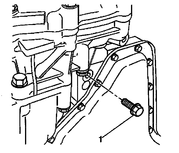
3. Remove the drain plug (1) and washer from the extension housing. Allow the gear oil to drain.





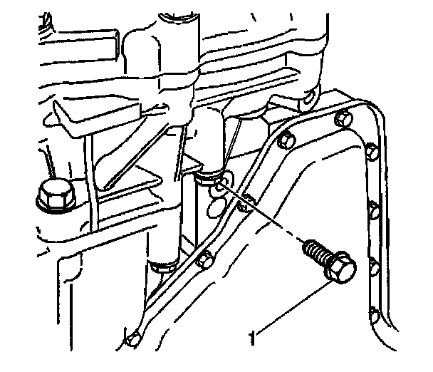
4. Remove the drain plug (1) and washer from the case. Allow the transmission fluid to drain.
5. Disconnect the electrical connector from the speed sensor.





6. Remove the transfer case lower brace bolts.
7. Remove the transfer case lower brace.





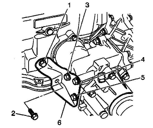
8. Disconnect the clamp from the extension housing vent hose coupling (1).
9. Remove the bolt (3) retaining the vent hose bracket to the transfer case.
10. Remove the vent hose coupling, vent hose (2), and bracket from the transfer case.
11. Remove the transaxle.





12. Remove the output shaft retaining ring (1).





13. Rotate the transaxle 90 degrees.
14. Remove the transfer case lower brace bolt (1).





15. Rotate the transaxle 90 degrees to the installed position.
16. Remove the transfer case side brace bolts (1, 2, 3, 4, 5). Remove the side brace (6).





17. Remove the transfer case-to-transaxle bolts (1, 2, 3, 4, 5).





Caution: This component weighs approximately 60 lbs. Personal Injury may result If you lift the component Improperly.

18. Remove the transfer case assembly (1) from the transaxle (3). Note that the transaxle output shaft (2) withdraws from the transaxle with the transfer case assembly.
19. Remove the output shaft (2).





20. Remove the transfer case O-ring seal (1) from the transfer case (2).

Installation Procedure

Important: The end play clearance between the transmission and transfer case internal components is adjusted by selection of the proper size selective washer (located behind the transmission sun gear). The transmission-to-transfer case washer selection procedure must be performed each time a transmission and/or transfer case assembly or the internal components (excluding gaskets and seals) are replaced.





1. Perform the transmission-to-transfer case end play check.
2. Install the O-ring (1) seal to the transfer case.





3. Rotate the transaxle so that the bottom pan is facing the floor.
4. Install the transfer case assembly to the transaxle.





5. Install the transfer case-to-transaxle bolts and tighten the bolts in the following sequence:

Notice: Refer to Fastener Notice in Service Precautions.

6. Tighten the transfer case-to-transaxle bolts (1) and (2).
^ First pass 35 Nm (26 ft. lbs.).
^ Final pass an additional 160 degrees.
7. Tighten the transfer case-to-transaxle bolt (3).
^ First pass 35 Nm (26 ft. lbs.).
^ Final pass an additional 70 degrees.
8. Tighten the transfer case-to-transaxle bolts (4) and (5).
^ Tighten the transfer case-to-transaxle bolts (4) and (5) to 40 Nm (30 ft. lbs.).





9. Install the transfer case side brace (6).
10. Install the transfer case side brace-to-transaxle bolts. Hand tighten bolts.
11. Tighten the bolts in the following sequence (1, 2, 3, 4, 5).
^ Tighten transfer case side brace bolts to 47 Nm (35 ft. lbs.).





12. Rotate the transaxle 90 degrees.
13. Install the transfer case lower brace-to-transaxle bolt (1).
^ Tighten transfer case lower brace bolt to 47 Nm (35 ft. lbs.).





14. Install the output,shaft to the transmission.
15. Install a new output shaft retaining ring (1).
16. Install the transaxle.





17. Install the vent hose (2) and coupling (1) to the extension housing.
18. Connect the clamp to the vent hose coupling.
19. Install the vent hose bracket and bolt/stud (3) to the transfer case.
^ Tighten the bolt/stud to 10 Nm (106 inch lbs.).
20. Connect the electrical connector to the speed sensor.
21. Install propeller shaft.





22. Install the transfer case lower brace.
23. Install the transfer case lower brace bolts.
^ Tighten the brace bolts to 47 Nm (35 ft. lbs.).





24. Install the lubricant drain plug (1) and gasket to the case.
^ Tighten the drain plug to 32 Nm (24 ft. lbs.).
25. Inspect the transmission fluid level.





26. Install the lubricant drain plug (1) and gasket to the extension housing.
^ Tighten the drain plug to 32 Nm (24 ft. lbs.).
27. Remove the extension housing fill plug (2) and gasket.
28. Fill the extension housing with synthetic gear oil GM P/N United States 12378514 GM P/N Canada 88901045.
29. Install the fill plug and gasket to the extension housing.
^ Tighten the extension housing fill plug to 32 Nm (24 ft. lbs.).
30. Lower the vehicle.