Operation CHARM: Car repair manuals for everyone.
Manuals through 2025 now available!

Our trusted friends have launched a new website named LEMON, which has newer manuals. It also contains all the CHARM manuals.

LEMON is the spiritual successor to CHARM, I recommend you try it!

Link: lemon-manuals.la or lemon-manuals.org.ua

(Some people have issue connecting. LEMON is investigating. For now, use Firefox or change your DNS server)

Or, hide this message: temporarily or permanently

Oil Pressure Sensor: Service and Repair

ENGINE OIL PRESSURE SENSOR OR SWITCH REPLACEMENT

TOOLS REQUIRED
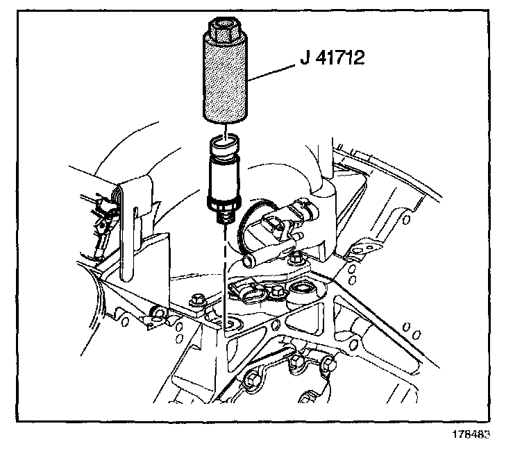
J 41712 Oil Pressure Sensor Socket

REMOVAL PROCEDURE




1. Remove the intake manifold.
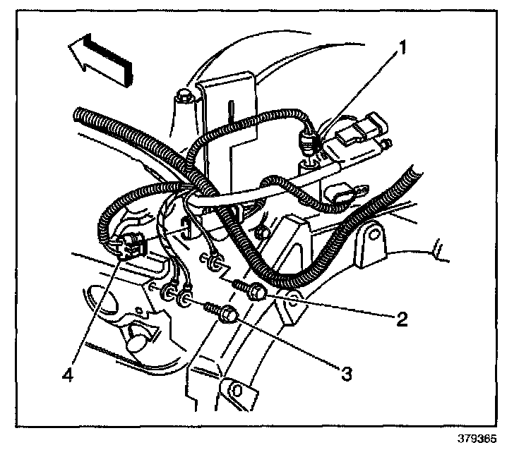
2. Disconnect the oil pressure sensor electrical connector (1).

IMPORTANT: Clean the area around the sensor before removal. This avoids debris from entering the engine.




3. Use J 41712 to remove the oil pressure sensor from the engine block.

INSTALLATION PROCEDURE




1. If installing the old sensor apply thread sealant GM P/N 12346004 or equivalent.

NOTE: Refer to Fastener Notice in Service Precautions.

2. Use J 41712 to install the oil pressure sensor to the engine block.

Tighten
Tighten the engine oil pressure sensor to 20 N.m (15 lb ft).




3. Connect the oil pressure sensor electrical connector (1).
4. Install the intake manifold.