Operation CHARM: Car repair manuals for everyone.
Manuals through 2025 now available!

Our trusted friends have launched a new website named LEMON, which has newer manuals. It also contains all the CHARM manuals.

LEMON is the spiritual successor to CHARM, I recommend you try it!

Link: lemon-manuals.la or lemon-manuals.org.ua

(Some people have issue connecting. LEMON is investigating. For now, use Firefox or change your DNS server)

Or, hide this message: temporarily or permanently

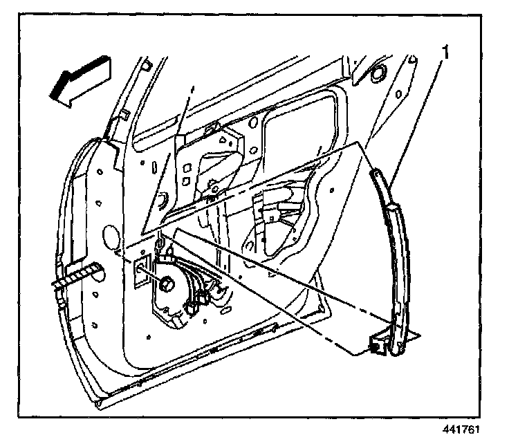
Window Channel Replacement - Rear Door Front

REMOVAL PROCEDURE




1. Ensure that the window is fully closed.
2. Remove the door trim panel.
3. Remove the water deflector.
4. Remove the window regulator.
5. Lower the window to the bottom of the door
6. Remove the lower bolt.
7. Lift the channel to disconnect the upper fastener.
8. Remove the front window channel (1) from the door.

INSTALLATION PROCEDURE




1. Position the front window channel (1) in the door, top end first.
2. Insert the channel top retainer into the slot.
3. Rotate the top of the front window channel rearward and align it on the lower edge of the window.

NOTE: Refer to Fastener Notice in Service Precautions.

4. Install the rear door window channel lower bolt.

Tighten
Tighten the rear door window channel lower bolt to 9 N.m (80 lb in).

5. Lift up the window and install the window regulator.
6. Install the water deflector.
7. Install the door trim panel.