Powertrain Control Module (PCM) Replacement
Service of the PCM should normally consist of either replacement of the PCM or EEPROM programming. If the diagnostic procedures call for PCM replacement, inspect the PCM first to see if the PCM is the correct part. If the PCM is faulty, remove the PCM and install the new service PCM.The new service PCM will not be programmed. You must program the new PCM. DTC P0602 indicates the EEPROM is not programmed or has malfunctioned. There are no user serviceable parts in this PCM. The PCM should never be opened for any reason.
IMPORTANT: When replacing the production PCM with a service PCM (controller), transferring the broadcast code and production PCM number to the service PCM label is important. Do not record this information on the PCM cover. Transfer allows positive identification of PCM parts throughout the service life of the vehicle.
Removal Procedure
1. Disconnect the negative battery cable. Refer to Battery Negative Cable Disconnect/Connect Procedure in Engine Electrical.
2. Remove the left sheet metal diagonal brace. Refer to Brace Replacement - Sheet Metal Diagonal in Body Front End.
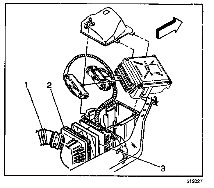
3. Remove the air cleaner intake duct (1).
4. Remove the air cleaner assembly cover and lift the PCM from the assembly.
5. Disconnect the harness connectors from the PCM.
6. Remove the PCM from the engine compartment.
Installation Procedure
1. Install the connectors to the PCM.
2. Install the PCM into the air cleaner assembly.
3. Install the air cleaner assembly cover.
4. Tighten the air cleaner assembly cover retainers.
5. Install the air cleaner intake duct (1).
6. Install the left sheet metal diagonal brace. Refer to Brace Replacement - Sheet Metal Diagonal in Body Front End.
7. Connect the negative battery cable. Refer to Battery Negative Cable Disconnect/Connect Procedure in Engine Electrical.
8. If a new PCM is being installed, program the EEPROM. Refer to Powertrain Control Module (PCM) Programming. Programming and Relearning