Operation CHARM: Car repair manuals for everyone.
Manuals through 2025 now available!

Our trusted friends have launched a new website named LEMON, which has newer manuals. It also contains all the CHARM manuals.

LEMON is the spiritual successor to CHARM, I recommend you try it!

Link: lemon-manuals.la or lemon-manuals.org.ua

(Some people have issue connecting. LEMON is investigating. For now, use Firefox or change your DNS server)

Or, hide this message: temporarily or permanently

Electronic Brake Control Module: Service and Repair

Electronic Brake Control Module (EBCM) Replacement

Removal Procedure

Notice: Always connect or disconnect the wiring harness connector from the EBCM/EBTCM with the ignition switch in the OFF position. Failure to observe this precaution could result in damage to the EBCM/EBTCM.

1. Turn the ignition switch to the OFF position.





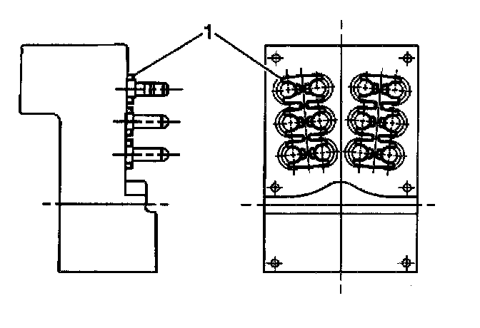
2. Pull out lock tab from the EBCM harness connector (1).
3. Disconnect the EBCM harness connector.





4. Disconnect the pump motor connector (3) at the bottom of the EBCM.
5. Remove the six EBCM to BPMV screws (2) and discard.

Important: Be careful not to damage seal. Do not pry apart using a tool.

Important: Care must be taken not to damage the solenoid valves when the EBCM is removed from the BPMV.

6. Separate the EBCM (1) from the BPMV (5) by gently pulling apart until separated.

Important: Note the location and the orientation of the wave spring in order to aid during installation.





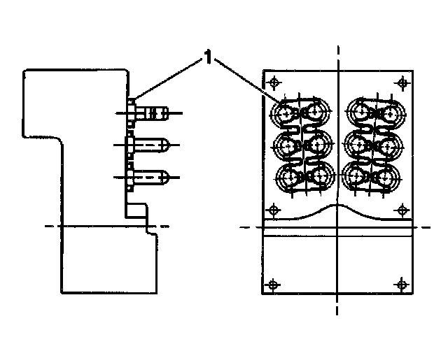
7. If equipped with ABS, remove one wave spring (1) between the EBCM and BPMV and discard.

Important: Note the location and the orientation of the wave springs in order to aid during installation.





8. If equipped with ABS/TCS remove two wave springs (1) between the EBCM and BPMV and discard.

Installation Procedure

Important: Only the new wave spring(s) and screws supplied with the new EBCM should be used.

1. Clean the BPMV gasket surface with alcohol using a clean rag.





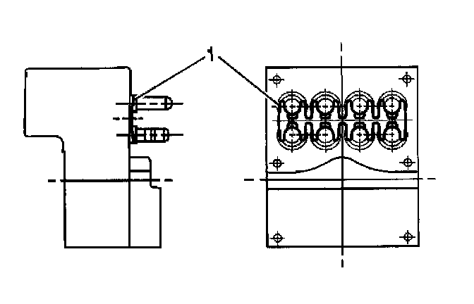
2. If equipped with ABS, install one wave spring (1) between the EBCM and BPMV. Use location and orientation noted during removal.





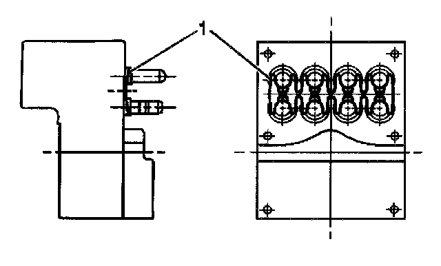
3. If equipped with ABS/TCS, install two wave springs (1) between the EBCM and BPMV. Use locations and orientation noted during removal.

Notice: Refer to Fastener Notice in Service Precautions.





4. Install the EBCM (1) to the BPMV (5).
^ Tighten the top four mounting screws (2) to 2.9 Nm (26 inch lbs.).
^ Tighten screws in an X pattern.
^ Tighten the bottom two mounting screws (2) to 2.9 Nm (26 inch lbs.).

5. Connect the pump motor connector (3) to the bottom of the EBCM.





6. Connect the EBCM harness connector. Push in lock tab (1).
7. Turn the ignition switch to the ON position, engine off.
8. Perform the Diagnostic System Check-ABS.