Operation CHARM: Car repair manuals for everyone.
Manuals through 2025 now available!

Our trusted friends have launched a new website named LEMON, which has newer manuals. It also contains all the CHARM manuals.

LEMON is the spiritual successor to CHARM, I recommend you try it!

Link: lemon-manuals.la or lemon-manuals.org.ua

(Some people have issue connecting. LEMON is investigating. For now, use Firefox or change your DNS server)

Or, hide this message: temporarily or permanently

Starter Motor: Service and Repair

STARTER MOTOR REPLACEMENT

REMOVAL PROCEDURE

CAUTION: Refer to Battery Disconnect Caution in Service Precautions.




1. Disconnect the battery negative cable.
2. Raise and support the vehicle. Refer to Lifting and Jacking the Vehicle.
3. Remove the front lower air deflector panel. Refer to Radiator Air Baffle Assemblies and Deflectors (Upper) or Radiator Air Baffle Assemblies and Deflectors (Lower) in Cooling System.
4. Remove the torque converter covers.
5. Remove the starter solenoid BAT terminal nut (6) and remove the positive battery cable (7) from the starter motor.
6. Remove the starter solenoid S terminal nut (5) and remove the starter solenoid wire (4) from the starter motor.




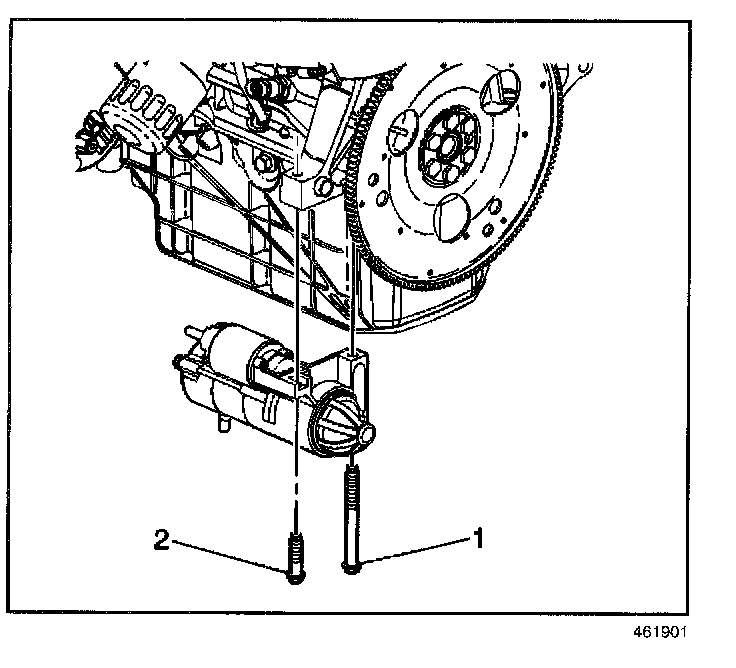
7. Remove the starter bolts (1,2) and the starter motor. Remove the shims, if necessary.

INSTALLATION PROCEDURE




The vehicle uses a PG260 M starter motor.




1. Make sure the correct starter motor is being installed.
2. Align the starter motor to the engine. Install any shims, if removed.

NOTE: Refer to Fastener Notice in Service Precautions.

3. Install the starter bolts (1,2) finger tight until seated.

Tighten
Tighten the starter bolts (1,2) to 43 N.m (32 lb ft)




4. Install the positive battery cable (7) and the solenoid BAT terminal nut (6) finger tight to the starter motor.

Tighten
Tighten the solenoid BAT terminal nut (6) to 9.5 N.m (84 lb in).

5. Install the starter solenoid wire (4) and the starter solenoid S terminal nut (5) finger tight to the starter motor.

Tighten
Tighten the starter solenoid S terminal nut (5) to 2.3 N.m (20.4 lb in).

6. Install the torque converter covers.
7. Install the front lower air deflector panel. Refer to Radiator Air Baffle Assemblies and Deflectors (Upper) or Radiator Air Baffle Assemblies and Deflectors (Lower) in Cooling System.
8. Lower the vehicle.
9. Connect the negative battery cable.