Operation CHARM: Car repair manuals for everyone.
Manuals through 2025 now available!

Our trusted friends have launched a new website named LEMON, which has newer manuals. It also contains all the CHARM manuals.

LEMON is the spiritual successor to CHARM, I recommend you try it!

Link: lemon-manuals.la or lemon-manuals.org.ua

(Some people have issue connecting. LEMON is investigating. For now, use Firefox or change your DNS server)

Or, hide this message: temporarily or permanently

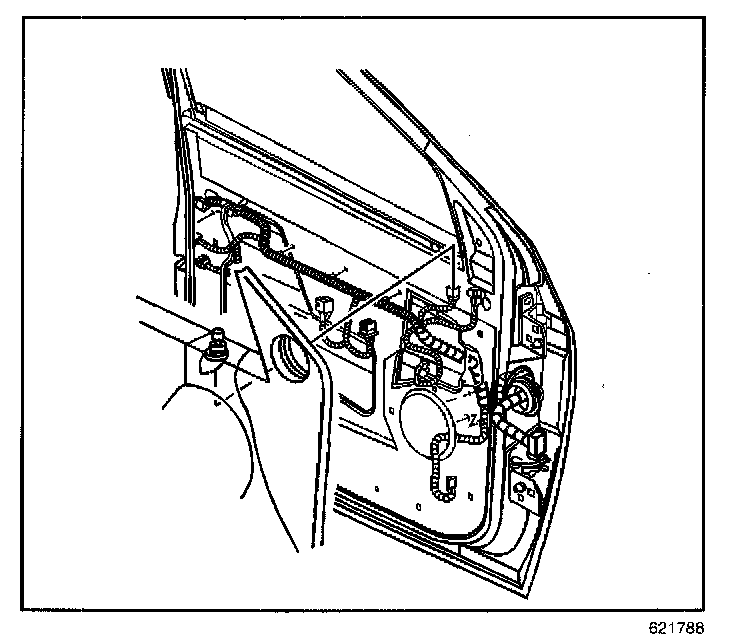
Power Mirror Switch: Service and Repair

REMOVAL PROCEDURE




1. Remove the front door trim panel.
2. Disconnect the electrical connector from the power mirror switch.




3. Remove the power mirror switch from the front door inner trim panel.

INSTALLATION PROCEDURE




1. Install the power mirror switch to the front door inner trim panel, pressing into place until fully seated.




2. Connect the electrical connectors to the power mirror switch.
3. Install the front door trim panel.