Operation CHARM: Car repair manuals for everyone.
Manuals through 2025 now available!

Our trusted friends have launched a new website named LEMON, which has newer manuals. It also contains all the CHARM manuals.

LEMON is the spiritual successor to CHARM, I recommend you try it!

Link: lemon-manuals.la or lemon-manuals.org.ua

(Some people have issue connecting. LEMON is investigating. For now, use Firefox or change your DNS server)

Or, hide this message: temporarily or permanently

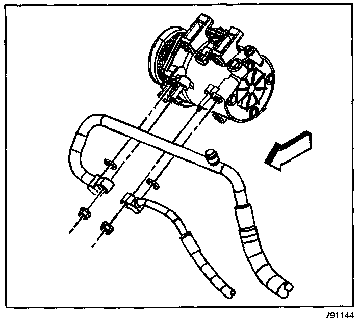
Compressor Sealing Washers Replacement

TOOLS REQUIRED
J 39400-A Halogen Leak Detector

REMOVAL PROCEDURE




1. Recover the refrigerant from the A/C system. Refer to Refrigerant Recovery and Recharging.
2. Raise and support the vehicle. Refer to Lifting and Jacking the Vehicle.
3. Remove the air baffle bolts.
4. Remove the air baffle.




5. Remove the suction hose to compressor nut.
6. Disconnect the suction hose from the compressor.

IMPORTANT: Cap or tape the open A/C hoses immediately to prevent system contamination.

7. Cap or tape off the compressor suction port.
8. Remove the discharge hose to compressor nut.
9. Disconnect the discharge hose from the compressor.
10. Cap or tape off the compressor discharge port.
11. Remove and discard the sealing washers.
12. Cap or tape off the discharge hose.
13. Cap or tape off the suction hose.

INSTALLATION PROCEDURE




1. Remove the cap or tape from the discharge hose.
2. Using a lint-free clean, dry cloth, carefully clean the sealing surfaces of the A/C refrigerant hose and the A/C refrigerant component.

IMPORTANT: Flat washer type seals do not require lubrication.

3. Install a new sealing washer to the discharge hose.
4. Remove the cap or tape from the compressor discharge port.
5. Connect the discharge hose to the compressor.

NOTE: Refer to Fastener Notice in Service Precautions.

6. Install the discharge hose to compressor nut.

Tighten
Tighten the nut to 16 N.m (12 lb ft).

7. Remove the cap or tape from the suction hose.
8. Install a new sealing washer to the suction hose.
9. Remove the cap or tape from the compressor suction port.
10. Connect the suction hose to the compressor.
11. Install the suction hose to compressor nut.

Tighten
Tighten the nut to 16 N.m (12 lb ft).




12. Install the air baffle.
13. Install the air baffle bolts.

Tighten
Tighten the bolts to 20 N.m (15 lb ft).

14. Lower the vehicle.
15. Evacuate and recharge the A/C system. Refer to Refrigerant Recovery and Recharging.
16. Leak test the fittings of the component using J 39400-A.