Operation CHARM: Car repair manuals for everyone.
Manuals through 2025 now available!

Our trusted friends have launched a new website named LEMON, which has newer manuals. It also contains all the CHARM manuals.

LEMON is the spiritual successor to CHARM, I recommend you try it!

Link: lemon-manuals.la or lemon-manuals.org.ua

(Some people have issue connecting. LEMON is investigating. For now, use Firefox or change your DNS server)

Or, hide this message: temporarily or permanently

Condenser HVAC: Service and Repair

TOOLS REQUIRED
^ J 38185 Hose Clamp Pliers
^ J 39400-A Halogen Leak Detector

REMOVAL PROCEDURE




1. Recover the refrigerant from the A/C system. Refer to Refrigerant Recovery and Recharging.
2. Drain the cooling system. Refer to Draining and Filling Cooling System in Cooling System.
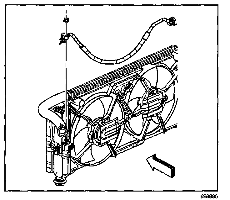
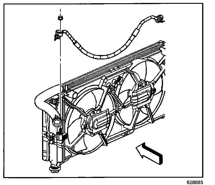
3. Remove the cooling fans with the cooling fan shroud.
4. Reposition the radiator outlet hose clamp at the water pump housing using the J 38185.
5. Disconnect the radiator outlet hose from the water pump housing.
6. Reposition the radiator outlet hose clamp at the radiator using the J 38185.
7. Disconnect the radiator outlet hose from the radiator.
8. Remove the radiator outlet hose.
9. Disconnect the lower transaxle oil cooler line from the radiator.




10. Remove the A/C discharge hose nut from the condenser block.
11. Disconnect the A/C discharge hose from the condenser block.

IMPORTANT: Cap or tape off the open A/C refrigerant components immediately to prevent system contamination.

12. Cap or tape off the A/C discharge hose.




13. Remove the evaporator inlet tube bolt from the condenser block.
14. Disconnect the evaporator inlet tube from the condenser block.
15. Cap or tape off the evaporator inlet tube.




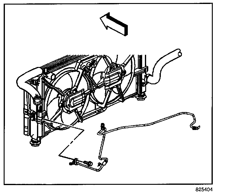
16. Remove the radiator and condenser assembly.
17. Remove the condenser tube clip bolt.
18. Remove the condenser tube clip.
19. Remove the condenser mounting bolts.
20. Remove the condenser from the radiator.




21. Remove the receiver dehydrator upper bracket bolts.
22. Remove the receiver dehydrator lower mounting bolts.
23. Disconnect the receiver dehydrator from the condenser.
24. Remove and discard the sealing washers.

INSTALLATION PROCEDURE




1. If replacing the condenser add the specified amount of PAG oil directly to the condenser. Refer to Refrigerant System Capacities.
2. Using a lint-free clean, dry cloth, carefully clean the sealing surfaces of the A/C refrigerant components.

IMPORTANT: Flat washer type seals do not require lubrication.

3. Install new sealing washers to the receiver dehydrator.
4. Connect the receiver dehydrator to the condenser.

NOTE: Refer to Fastener Notice in Service Precautions.

5. Install the receiver dehydrator lower mounting bolts.

Tighten
Tighten the bolts to 6 N.m (53 lb in).

6. Install the receiver dehydrator upper bracket bolts.

Tighten
Tighten the bolts to 6 N.m (53 lb in).




7. Install the condenser to the radiator.
8. Install the condenser mounting bolts.

Tighten
Tighten the bolts to 6 N.m (53 lb in).

9. Install the condenser tube clip.
10. Install the condenser tube clip bolt.

Tighten
Tighten the bolt to 2.5 N.m (22 lb in).

11. Install the radiator and condenser assembly.




12. Remove cap or tape from the evaporator inlet tube.
13. Install a new sealing washer to the evaporator inlet tube fitting.
14. Install the evaporator inlet tube and bolt to the condenser block.

Tighten
Tighten the bolt to 16 N.m (12 lb ft).




15. Remove cap or tape from the A/C discharge hose.
16. Install a new sealing washer to the A/C discharge hose fitting.
17. Install the A/C discharge hose and nut to the condenser block.

Tighten
Tighten the nut to 16 N.m (12 lb ft).




18. Connect the lower transaxle oil cooler line to the radiator
19. Install the radiator outlet hose.
20. Connect the radiator outlet hose to the radiator.
21. Reposition the radiator outlet hose clamp at the radiator to secure the hose using the J 38185.
22. Connect the radiator outlet hose to the water pump housing.
23. Reposition the radiator outlet hose clamp at the water pump housing to secure the hose using the J 38185.
24. Install the cooling tans with the cooling tan shroud.
25. Fill the cooling system Refer to Draining and Filling Cooling System in Cooling System.
26. Evacuate and recharge the A/C system. Refer to Refrigerant Recovery and Recharging.
27. Leak test the fittings of the component using J 39400-A.