Operation CHARM: Car repair manuals for everyone.
Manuals through 2025 now available!

Our trusted friends have launched a new website named LEMON, which has newer manuals. It also contains all the CHARM manuals.

LEMON is the spiritual successor to CHARM, I recommend you try it!

Link: lemon-manuals.la or lemon-manuals.org.ua

(Some people have issue connecting. LEMON is investigating. For now, use Firefox or change your DNS server)

Or, hide this message: temporarily or permanently

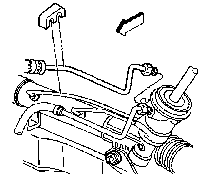
Power Steering Pressure Hose Replacement

Power Steering Pressure Hose Replacement

Removal Procedure
1. Raise and support the vehicle. Refer to Vehicle Lifting.
2. Remove the right side engine splash shield.
3. Remove the power steering gear heat shield.
4. Place the drain pan under the power steering pump and the power steering gear.





5. For front wheel drive vehicles, remove the pipe retainer.





6. For all wheel drive vehicles, remove the pipe rear clip bolt.
7. Remove the pressure hose from the steering gear.
8. Remove the pressure hose from the hose retainer.
9. Position the pressure hose lower portion into the right wheel opening.
10. Lower the vehicle.
11. Remove the drive belt.





12. Remove the pressure hose from the power steering pump.
13. Remove the pressure hose from the vehicle.

Installation Procedure





1. Position the pressure hose into place.

Notice: Refer to Fastener Notice in Service Precautions.

2. Install the pressure hose to the pump.
^ Tighten the pressure hose fitting to 27 Nm (20 ft. lbs.).
3. Install the drive belt.
4. Raise and support the vehicle. Refer to Vehicle Lifting.
5. Place the pressure hose into the retaining bracket.
6. Install the pressure hose to the steering gear.
7. Install the right side splash panel.
8. Bleed the power steering system.