Operation CHARM: Car repair manuals for everyone.
Manuals through 2025 now available!

Our trusted friends have launched a new website named LEMON, which has newer manuals. It also contains all the CHARM manuals.

LEMON is the spiritual successor to CHARM, I recommend you try it!

Link: lemon-manuals.la or lemon-manuals.org.ua

(Some people have issue connecting. LEMON is investigating. For now, use Firefox or change your DNS server)

Or, hide this message: temporarily or permanently

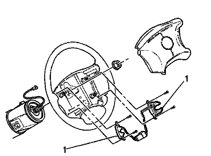
Steering Wheel Control Switch

Steering Wheel Control Switch Assembly Replacement

Removal Procedure





1. Remove steering wheel.
2. Remove steering wheel rear trim cover.
3. Push the steering wheel control switches (1), out from the back of the steering wheel.
4. Disconnect the wiring harnesses from the switches.

Installation Procedure





1. Connect the wiring harnesses to the switches.
2. Press the control switches (1), into the steering wheel.
3. Install the rear trim cover to the steering wheel.
4. Install the steering wheel to the steering column.