Operation CHARM: Car repair manuals for everyone.
Manuals through 2025 now available!

Our trusted friends have launched a new website named LEMON, which has newer manuals. It also contains all the CHARM manuals.

LEMON is the spiritual successor to CHARM, I recommend you try it!

Link: lemon-manuals.la or lemon-manuals.org.ua

(Some people have issue connecting. LEMON is investigating. For now, use Firefox or change your DNS server)

Or, hide this message: temporarily or permanently

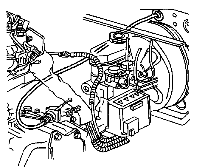
Automatic Transmission Range Selector Cable Replacement

Automatic Transmission Range Selector Cable Replacement

Removal Procedure





1. Remove the throttle body air inlet duct.
2. Use a flat-bladed tool in order to remove the retaining clip from the automatic transaxle range selector cable.





3. Use a large flat-bladed tool in order to remove the automatic transaxle range selector cable from the cable lever.
4. Use pliers in order to depress the cable retainers.
5. Remove the automatic transaxle range selector cable from the automatic transaxle range selector cable bracket.
6. Remove the knee bolster.





7. If the vehicle is equipped with a console shift, perform the following steps:
7.1. Remove the console trim plate.
7.2. Remove the transaxle shift cable from the floor shift control.





8. If the vehicle is equipped with a column shift, perform the following steps:
8.1. Remove the retaining clip from the automatic transaxle range selector cable.
8.2. Use a flat-bladed too[ in order to remove the automatic transaxle range selector cable from the column control lever.
8.3. Remove the automatic transaxle range selector cable from the steering column bracket.





9. Remove the automatic transaxle range selector cable through the cowl.

Installation Procedure





1. Properly route the automatic transaxle range selector cable through the engine compartment.





2. Install the automatic transaxle range selector cable through the cowl.





3. If the vehicle is equipped with a column shift, perform the following steps:
3.1. Install the automatic transaxle range selector cable to the steering column bracket.
3.2. Install the retaining clip to the automatic transaxle range selector cable.
3.3. Install the automatic transaxle range selector cable to the column control lever.





4. If the vehicle is equipped with a console shift, perform the following steps:
4.1. Install the transaxle shift cable to the floor shift control.
4.2. Install the console trim plate.
5. Install the knee bolster.





6. Install the automatic transaxle range selector cable to the automatic transaxle range selector cable bracket.
7. Install the automatic transaxle range selector cable to the automatic transaxle range selector lever.





8. Install the retaining clip to the automatic transaxle range selector cable.
9. Adjust the automatic transaxle range selector cable.
10. Install the throttle body air inlet duct.