Operation CHARM: Car repair manuals for everyone.
Manuals through 2025 now available!

Our trusted friends have launched a new website named LEMON, which has newer manuals. It also contains all the CHARM manuals.

LEMON is the spiritual successor to CHARM, I recommend you try it!

Link: lemon-manuals.la or lemon-manuals.org.ua

(Some people have issue connecting. LEMON is investigating. For now, use Firefox or change your DNS server)

Or, hide this message: temporarily or permanently

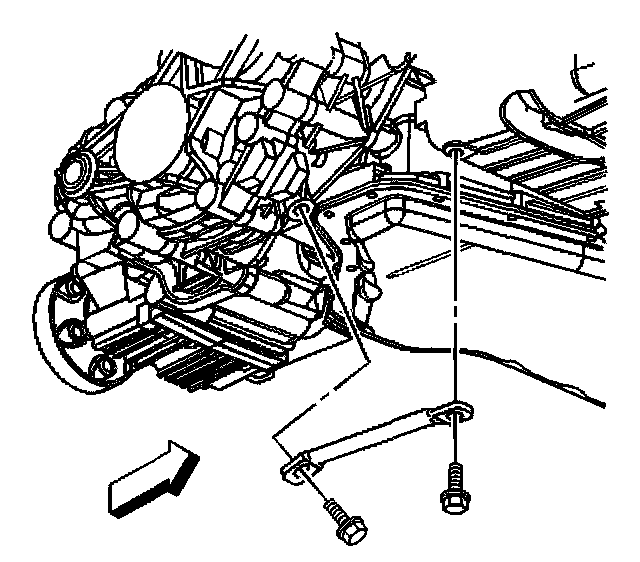
Support Brace Replacement

Support Brace Replacement

Removal Procedure





1. Raise and support the vehicle. Refer to Vehicle Lifting.
2. Remove the transfer case brace bolts.
3. Remove the transfer case brace.

Installation Procedure





1. Install the transfer case brace.

Notice: Refer to Fastener Notice in Service Precautions.

2. Install the transfer case brace bolts.
^ Tighten the bolts to 47 Nm 35 ft. lbs.).
3. Lower the vehicle.