Operation CHARM: Car repair manuals for everyone.
Manuals through 2025 now available!

Our trusted friends have launched a new website named LEMON, which has newer manuals. It also contains all the CHARM manuals.

LEMON is the spiritual successor to CHARM, I recommend you try it!

Link: lemon-manuals.la or lemon-manuals.org.ua

(Some people have issue connecting. LEMON is investigating. For now, use Firefox or change your DNS server)

Or, hide this message: temporarily or permanently

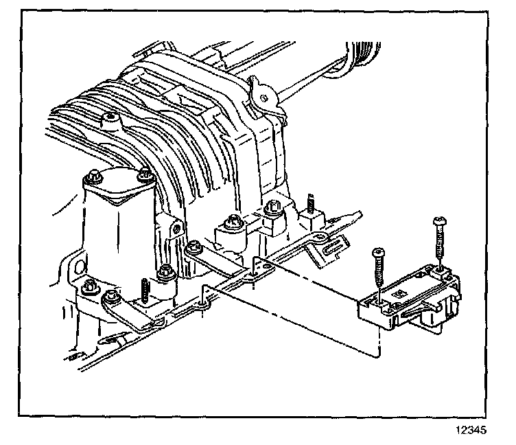
Manifold Pressure/Vacuum Sensor: Service and Repair

MANIFOLD ABSOLUTE PRESSURE (MAP) SENSOR REPLACEMENT

REMOVAL PROCEDURE




1. Turn OFF the ignition.
2. Remove the fuel injector sight shield.
3. Remove the screws.
4. Disconnect the MAP sensor electrical connector and vacuum hose from the sensor.
5. Remove the MAP sensor.

INSTALLATION PROCEDURE




1. Connect the electrical connector and vacuum hose to the MAP sensor.

NOTE: Refer to Fastener Notice in Service Precautions.

2. Position the MAP sensor to the bracket and secure with the screws.

Tighten
Tighten the screws to 5 N.m (44 lb in).

3. Install the fuel injector sight shield.