Operation CHARM: Car repair manuals for everyone.
Manuals through 2025 now available!

Our trusted friends have launched a new website named LEMON, which has newer manuals. It also contains all the CHARM manuals.

LEMON is the spiritual successor to CHARM, I recommend you try it!

Link: lemon-manuals.la or lemon-manuals.org.ua

(Some people have issue connecting. LEMON is investigating. For now, use Firefox or change your DNS server)

Or, hide this message: temporarily or permanently

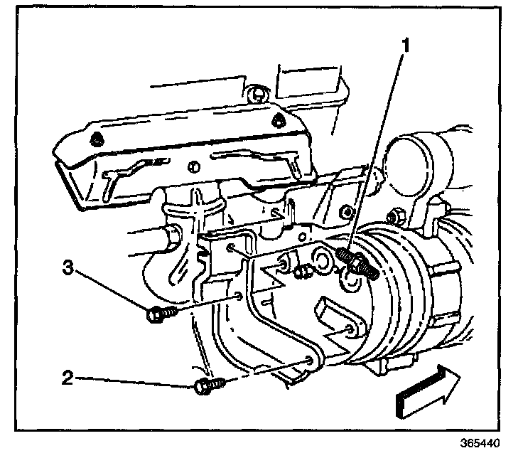
Compressor Replacement

TOOLS REQUIRED
J 39400-A Halogen Leak Detector

REMOVAL PROCEDURE

IMPORTANT: Compressor related noise is generally A/C system related and not always caused by the compressor itself. Prior to replacing compressor, refer to Air Conditioning (A/C) System Performance Test .




1. Recover the refrigerant. Refer to Refrigerant Recovery and Recharging .
2. Remove the serpentine drive belt.
3. Disconnect the electrical connector from the A/C compressor.




4. Remove the negative battery cable nut and cable from the engine block.
5. Raise and support the vehicle. Refer to Lifting and Jacking the Vehicle.




6. Remove the A/C compressor hose assembly bolt.
7. Remove the A/C compressor hose assembly.
8. Discard the sealing washers.




9. Remove the A/C compressor rear bolts (2, 3).




10. Remove the A/C compressor bolts.
11. Remove the A/C compressor.

INSTALLATION PROCEDURE

IMPORTANT: New A/C compressors are shipped WITHOUT poly-alkylene glycol (PAG) oil.




1. If a new A/C compressor is being installed, add the proper amount of PAG oil to the compressor. Refer to Refrigerant System Capacities.

NOTE: Refer to Fastener Notice in Service Precautions.




2. If reinstalling the old A/C compressor perform the following:
2.1. Drain, measure and record the amount of PAG oil from both the suction and discharge ports and the crankcase in the A/C compressor.
2.2. Add the proper amount of PAG oil to the compressor. Refer to Refrigerant System Capacities .
2.3. Install the compressor crankcase oil drain bolt to the replacement compressor.

Tighten
Tighten the compressor crankcase oil drain bolt to 20 N.m (15 lb ft).

3. Install the A/C compressor.
4. Install the front A/C compressor bolts.

Tighten
Tighten the front A/C compressor bolts to 50 N.m (37 lb ft).




5. Install the A/C compressor rear bolts (2, 3).

Tighten
Tighten the A/C compressor rear bolts (2, 3) to 30 N.m (22 lb ft).




6. Install the new sealing washers.
7. Install the A/C compressor hose assembly.
8. Install the A/C compressor hose assembly bolt.

Tighten
Tighten the A/C compressor hose assembly bolt to 33 N.m (24 lb ft).

9. Lower the vehicle.




10. Install the negative battery cable and nut to the engine block.

Tighten
Tighten the negative battery cable to 25 N.m (18 lb ft).




11. Connect the electrical connector to the A/C compressor.
12. Install the serpentine drive belt.
13. Evacuate and charge the refrigerant system. Refer to Refrigerant Recovery and Recharging.
14. Leak test the fittings of the component using the J 39400-A.