Operation CHARM: Car repair manuals for everyone.
Manuals through 2025 now available!

Our trusted friends have launched a new website named LEMON, which has newer manuals. It also contains all the CHARM manuals.

LEMON is the spiritual successor to CHARM, I recommend you try it!

Link: lemon-manuals.la or lemon-manuals.org.ua

(Some people have issue connecting. LEMON is investigating. For now, use Firefox or change your DNS server)

Or, hide this message: temporarily or permanently

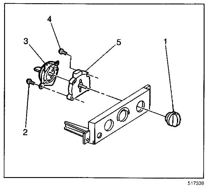
HVAC Control Selector Switch Replacement

REMOVAL PROCEDURE




1. Remove the heating, ventilation and air conditioning (HVAC) control vacuum valve.
2. Pull the HVAC control selector knob (1) off.
3. Remove the HVAC control selector switch (5) from the control.

INSTALLATION PROCEDURE




1. Install the HVAC control selector switch (5) to the control.
2. Push the HVAC control selector knob (1) on.
3. Install the HVAC control vacuum valve.