Operation CHARM: Car repair manuals for everyone.
Manuals through 2025 now available!

Our trusted friends have launched a new website named LEMON, which has newer manuals. It also contains all the CHARM manuals.

LEMON is the spiritual successor to CHARM, I recommend you try it!

Link: lemon-manuals.la or lemon-manuals.org.ua

(Some people have issue connecting. LEMON is investigating. For now, use Firefox or change your DNS server)

Or, hide this message: temporarily or permanently

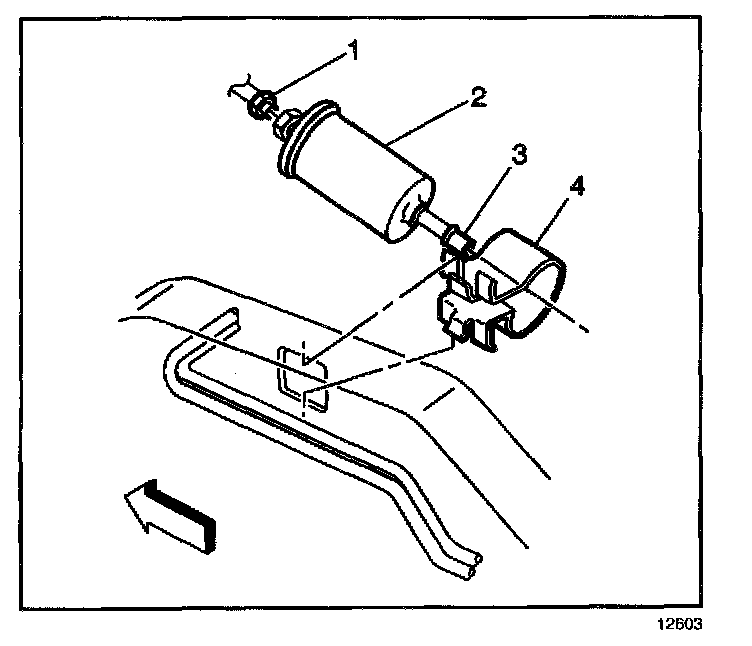
Fuel Filter: Service and Repair

REMOVAL PROCEDURE




1. Relieve the fuel system pressure. Refer to the Fuel Pressure Relief Procedure.
2. Raise the vehicle. Refer to Lifting and Jacking the Vehicle.

NOTE: Refer to Cover and Plug Openings Notice in Service Precautions.

IMPORTANT:
^ Always maintain cleanliness when servicing fuel system components.
^ There is not a service interval for fuel filter replacement. Only replace a restricted fuel filter.
^ Inspect the fuel tank internally and clean the fuel tank if you find a restricted fuel filter.

3. Clean all the fuel filter connections and the surrounding areas before disconnecting the fuel pipes in order to avoid possible contamination of the fuel system.
4. Disconnect the quick-connect fitting at the fuel filter inlet (3).
5. Disconnect the threaded fitting (1) from the fuel filter outlet.
6. Slide the fuel filter (2) from the bracket (4).
7. Inspect the fuel pipe O-ring for cuts, nicks, swelling, or distortion. Replace the O-ring if necessary.

INSTALLATION PROCEDURE

NOTE: Refer to Fuel System Ground Notice in Service Precautions.

IMPORTANT: If fuel line bundle attaching hardware is damaged or broken replace parts as necessary.




1. Slide the fuel filter (2) into the bracket (4).
2. Reconnect the threaded fitting (1) to the fuel filter outlet.

NOTE: Refer to Fastener Notice in Service Precautions.

Tighten
Tighten the fuel filter fitting to 30 N.m (22 lb ft).

3. Reconnect the quick-connect fitting to the fuel filter inlet (3).
4. Lower the vehicle.
5. Tighten the fuel filler cap.
6. Reconnect the negative battery cable.
7. Inspect for leaks with the following procedure:
7.1. Turn ON the ignition for 2 seconds.
7.2. Turn OFF the ignition for 10 seconds.
7.3. Turn ON the ignition.
7.4. Check for fuel leaks.