Operation CHARM: Car repair manuals for everyone.
Manuals through 2025 now available!

Our trusted friends have launched a new website named LEMON, which has newer manuals. It also contains all the CHARM manuals.

LEMON is the spiritual successor to CHARM, I recommend you try it!

Link: lemon-manuals.la or lemon-manuals.org.ua

(Some people have issue connecting. LEMON is investigating. For now, use Firefox or change your DNS server)

Or, hide this message: temporarily or permanently

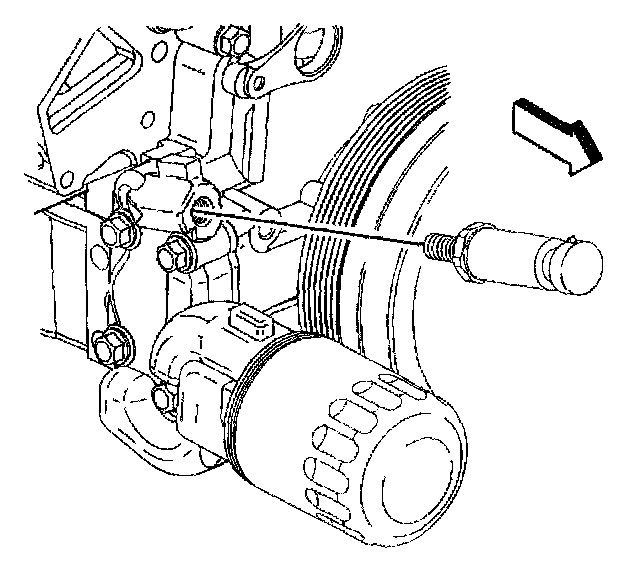
Oil Pressure Sensor: Service and Repair

Engine Oil Pressure Sensor and/or Switch Replacement

Removal Procedure





1. Disconnect oil pressure sensor electrical connector (2).





2. Remove the oil pressure sensor.

Installation Procedure

Notice: Refer to Fastener Notice in Service Precautions.





1. Install the oil pressure sensor.
^ Tighten the oil pressure sensor to 16 Nm (12 ft. lbs.).





2. Connect oil pressure sensor electrical connector (2).