Operation CHARM: Car repair manuals for everyone.
Manuals through 2025 now available!

Our trusted friends have launched a new website named LEMON, which has newer manuals. It also contains all the CHARM manuals.

LEMON is the spiritual successor to CHARM, I recommend you try it!

Link: lemon-manuals.la or lemon-manuals.org.ua

(Some people have issue connecting. LEMON is investigating. For now, use Firefox or change your DNS server)

Or, hide this message: temporarily or permanently

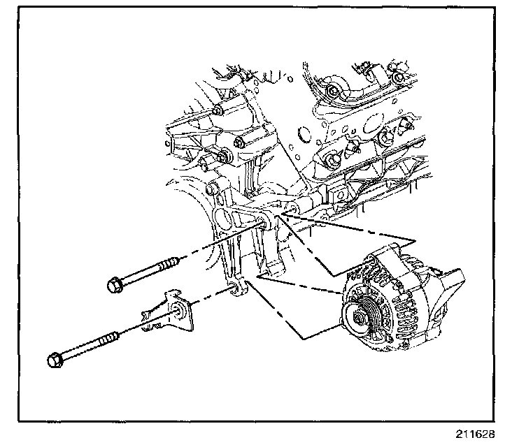
Generator Replacement

REMOVAL PROCEDURE

CAUTION: Refer to Battery Disconnect Caution in Service Precautions.




1. Disconnect the negative battery cable.
2. Remove the accessory drive belt.
3. Raise and suitably support the vehicle. Refer to Lifting and Jacking the Vehicle.
4. Remove the positive cable from the generator:
^ Slide the boot back along the cable.
^ Remove the positive cable nut (at generator).
^ Remove the positive cable from the stud.




5. Remove the generator rear bracket mounting bolt (1).




6. Remove the transmission oil cooler lines from the oil cooler clip.
7. Remove the generator front mounting bolts and oil cooler clip.




8. Disconnect the generator electrical connector (3).
9. Remove the generator.

INSTALLATION PROCEDURE




1. Install the generator.
2. Connect the generator electrical connector (3).

NOTE: Refer to Fastener Notice in Service Precautions.




3. Install the generator front mounting bolts and oil cooler clip.

Tighten
Tighten the generator mounting bolts to 50 N.m (37 lb ft).

4. Install the transmission oil cooler lines to the oil cooler clip.




5. Install the generator rear mounting bolt (1) (at generator).

Tighten
Tighten the generator rear mounting bolt (at generator) to 25 N.m (18 lb ft).




6. Install the positive cable to the generator:
^ Install the positive cable to the stud.
^ Install the positive cable nut (at generator).

Tighten
Tighten the positive cable nut (at generator) to 22 N.m (16 lb ft).

^ Slide the boot over the generator stud.
7. Lower the vehicle.
8. Install the accessory drive belt.
9. Connect the negative battery cable.