Operation CHARM: Car repair manuals for everyone.
Manuals through 2025 now available!

Our trusted friends have launched a new website named LEMON, which has newer manuals. It also contains all the CHARM manuals.

LEMON is the spiritual successor to CHARM, I recommend you try it!

Link: lemon-manuals.la or lemon-manuals.org.ua

(Some people have issue connecting. LEMON is investigating. For now, use Firefox or change your DNS server)

Or, hide this message: temporarily or permanently

Door Locks: Service and Repair



Lock Replacement - Door

Removal Procedure

1. Remove the front door trim panel.
2. Remove the front door water deflector.
3. Remove the front door window rear run channel bolt.
4. Lift the channel up to disengage the top clip and remove the window rear run channel from the door.
5. Remove the front door inside door handle.




6. Remove the front door outside door handle.




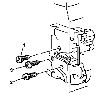
7. Remove the front door lock retaining screws (1,2,3).
8. Remove the lock from the front door.




9. Disconnect the electrical connectors to the lock actuator.
10. Remove the inside handle rod.
11. Remove the inside handle lock rod.
12. Remove the outside handle lock rod.

Installation Procedure




1. Install the inside handle rod.
2. Install the inside handle lock rod.
3. Install the outside handle lock rod.
4. Connect the electrical connectors to the lock actuator.




5. Position the front door lock in the door.

Notice: Refer to Fastener Notice in Service Precautions.

6. Install the door lock screws.

In the sequence shown (1, 2, 3), tighten the door lock screws to 10 N.m (89 lb in).

7. Install the front door outside door handle.




8. Install the front door inside door handle.
9. Install the front door window rear run channel in the door.
10. Install the front door window rear run channel bolt.

Tighten the door window rear run channel bolt to 6 N.m (53 lb in).

11. Install the front door water deflector.
12. Install the front door trim panel.