Operation CHARM: Car repair manuals for everyone.
Manuals through 2025 now available!

Our trusted friends have launched a new website named LEMON, which has newer manuals. It also contains all the CHARM manuals.

LEMON is the spiritual successor to CHARM, I recommend you try it!

Link: lemon-manuals.la or lemon-manuals.org.ua

(Some people have issue connecting. LEMON is investigating. For now, use Firefox or change your DNS server)

Or, hide this message: temporarily or permanently

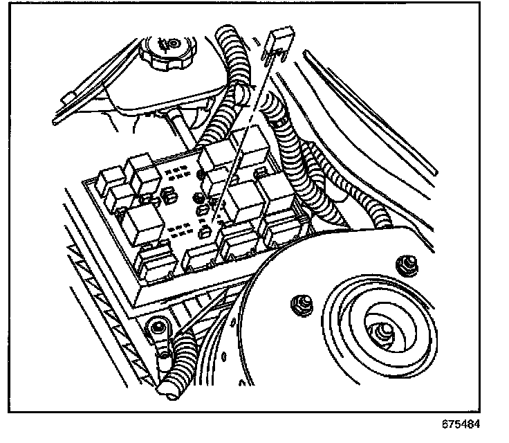
Compressor Clutch Relay: Service and Repair

COMPRESSOR RELAY REPLACEMENT

REMOVAL PROCEDURE




1. Remove the electrical center cover.
2. Remove the A/C compressor control relay from the electrical center.

INSTALLATION PROCEDURE




1. Install the A/C compressor control relay to the electrical center.
2. Install the electrical center cover.