Operation CHARM: Car repair manuals for everyone.
Manuals through 2025 now available!

Our trusted friends have launched a new website named LEMON, which has newer manuals. It also contains all the CHARM manuals.

LEMON is the spiritual successor to CHARM, I recommend you try it!

Link: lemon-manuals.la or lemon-manuals.org.ua

(Some people have issue connecting. LEMON is investigating. For now, use Firefox or change your DNS server)

Or, hide this message: temporarily or permanently

Air Bag Control Module: Service and Repair

INFLATABLE RESTRAINT SENSING AND DIAGNOSTIC MODULE REPLACEMENT

CAUTION:
^ Be careful when you handle a Sensing And Diagnostic Module (SDM). Do not strike or jolt the SDM. Before applying power to the SDM:
^ Remove any dirt, grease, etc. from the mounting surface
^ Position the SDM horizontally on the mounting surface
^ Point the arrow on the SDM toward the front of the vehicle
^ Tighten all of the SDM fasteners and SDM bracket fasteners to the specified torque value
Failure to follow the correct procedure could cause air bag deployment, personal injury, or unnecessary SIR system repairs.
^ If any water enters the vehicle's interior up to the level of the carpet or higher and soaks the carpet, the Sensing And Diagnostic Module (SDM) and the SDM harness connector may need to be replaced. The SDM could be activated when powered, which could cause deployment of the air bag(s) and result in personal injury. Before attempting these procedures, the SIR system must be disabled. Refer to Disabling the SIR System.
With the ignition OFF, inspect the SDM mounting area, including the carpet. If any significant soaking or evidence of significant soaking is detected, you must perform the following tasks:
1. Remove all water.
2. Repair the water damage.
3. Replace the SDM harness connector.
4. Replace the SDM.
Failure to follow these tasks could result in possible air bag deployment, personal injury, or otherwise unneeded SIR system repairs.


Removal Procedure




1. Disable the SIR system. Refer to Air Bag(s) Arming and Disarming.
2. Remove the front passenger seat.
3. Remove the passenger front carpet retainer.
4. Remove the RF seat belt anchor bolt.
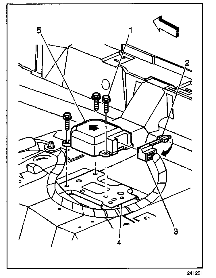
5. Fold back the carpet to access the Inflatable Restraint Sensing And Diagnostic Module (SDM).
6. Remove the Connector Position Assurance (CPA) (2) from the Inflatable Restraint Sensing And Diagnostic Module (SDM) harness connector (3).
7. Disconnect the SDM harness connector (3) from the SDM (5).
8. Remove the SDM mounting fasteners (1).
9. Remove the SDM (5) from the vehicle.

Installation Procedure




1. Install the SDM (5) to the vehicle.

NOTE: Refer to Fastener Notice in Service Precautions.

2. Install the SDM mounting fasteners (1).

Tighten
Tighten fasteners to 10 N.m (89 lb in).

3. Install the SDM harness connector (3) to the SDM (5).
4. Install the Connector Position Assurance (CPA) (2) to the SDM harness connector.
5. Position the carpet to cover the Inflatable Restraint Sensing And Diagnostic Module (SDM).
6. Install the RF seat belt anchor bolt.
7. Install the passenger front carpet retainer.
8. Install the front passenger seat.
9. Enable the SIR system. Refer to Air Bag(s) Arming and Disarming.
10. If you replaced the SDM, perform the following procedure in order to update the BCM with the new SDM part number:

IMPORTANT: The AIR BAG indicator may remain ON after the SDM is replaced. After programming the SDM part number into the BCM, cycle the ignition switch OFF and ON. This turns OFF the AIR BAG indicator and clears the DTC.

10.1. Install a scan tool.
10.2. Select the Special Functions option from the SIR Menu and press enter.
10.3. Select the Setup SDM Part Number in BCM option and press enter.
10.4. Follow the procedure on the scan tool display.
10.5. Cycle the ignition switch OFF and ON.