Operation CHARM: Car repair manuals for everyone.
Manuals through 2025 now available!

Our trusted friends have launched a new website named LEMON, which has newer manuals. It also contains all the CHARM manuals.

LEMON is the spiritual successor to CHARM, I recommend you try it!

Link: lemon-manuals.la or lemon-manuals.org.ua

(Some people have issue connecting. LEMON is investigating. For now, use Firefox or change your DNS server)

Or, hide this message: temporarily or permanently

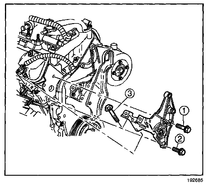
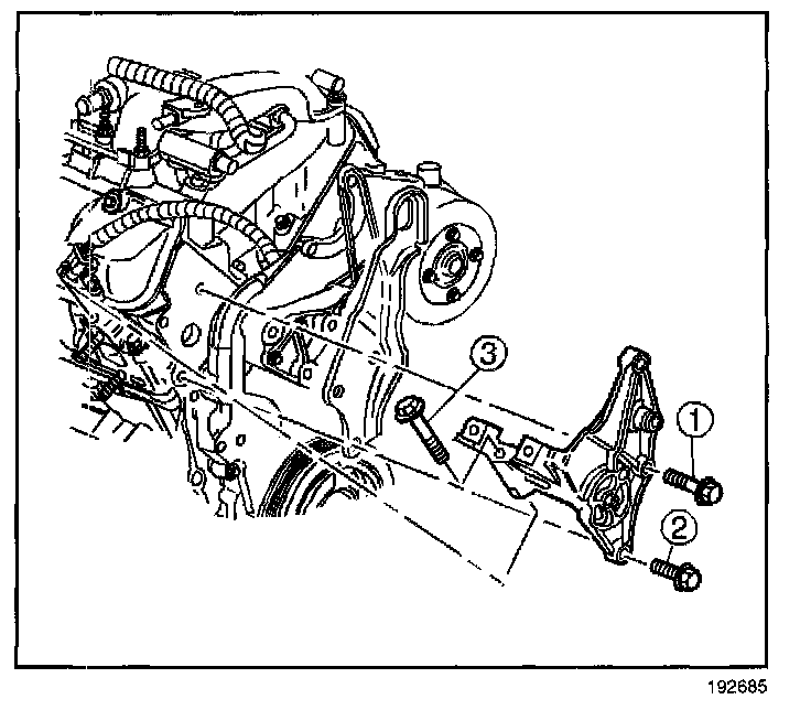
Generator Bracket Replacement

REMOVAL PROCEDURE




1. Disconnect the negative battery cable.
2. Rotate the drive belt tensioner counter clockwise.
3. Remove the drive belt from the generator pulley.
4. Remove the generator.




5. Remove the drive belt tensioner bolt.
6. Remove the drive belt tensioner.




7. Remove the generator bracket bolts (1-3).
8. Remove the generator bracket.

INSTALLATION PROCEDURE




1. Install the generator bracket.

NOTE: Refer to Fastener Notice in Service Precautions.

2. Install the generator bracket bolts (1-3).

Tighten
Tighten the bolts in sequence (1,2,3) to 50 N.m 37 (37 lb ft).




3. Install the drive belt tensioner.
4. Install the drive belt tensioner bolt.

Tighten
Tighten the bolt to 45 N.m (33 lb ft).




5. Install the generator.
6. Rotate the drive belt tensioner counter clockwise.
7. Install the drive belt to the generator pulley.
8. Connect the negative battery cable.