Powertrain Control Module (PCM) Replacement
REMOVAL PROCEDURENOTE: In order to prevent internal damage to the PCM, the ignition must be OFF when disconnecting or reconnecting the PCM connector.
Service should normally consist of either replacement of the PCM or EEPROM re-programming.
If the diagnostic procedures call for the PCM to be replaced, the PCM should be inspected first in order to verify the PCM is the correct part.
DTC P0602 indicates the EEPROM programming has malfunctioned. When DTC P0602 is set, re-program the EEPROM.
1. Disconnect the negative battery cable.
NOTE: Do not touch the PCM connector pins or soldered components on the circuit board in order to prevent possible electrostatic discharge (ESD) damage. Do not remove the integrated circuit boards from the carrier.
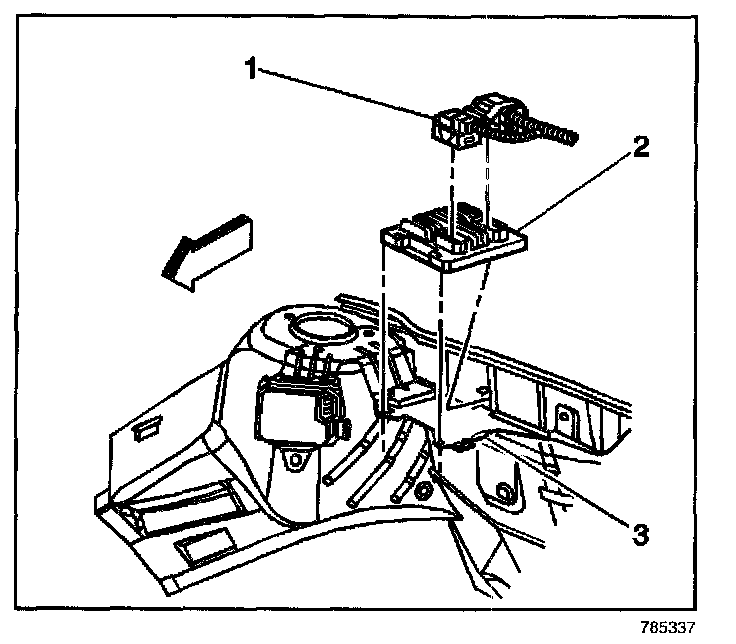
2. Push down the locking tab, pull up on the release lever, and disconnect the PCM harness connectors (1).
3. Depress the PCM retaining tab.
4. Lift the PCM (2) from the PCM bracket (3).
INSTALLATION PROCEDURE
1. Remove the new PCM from the packaging and inspect the service number to verify the number is the same number, or an updated number, as the faulty PCM.
2. Push the PCM (2) into the PCM bracket (3). The retaining tab will lock in place.
NOTE: Do not touch the PCM connector pins or soldered components on the circuit board in order to prevent possible electrostatic discharge (ESD) damage. Do not remove the integrated circuit boards from the carrier.
3. Install the PCM harness connectors (1) and lock down the release levers.
4. Connect the negative battery cable.
IMPORTANT: The replacement PCM must be reprogrammed and the crankshaft position (CKP) system variation learn procedure must be performed.
5. Program the PCM. Programming and Relearning