Transmission Position Sensor/Switch: Service and Repair
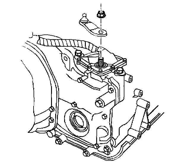
PNP Switch ReplacementRemoval Procedure
1. Remove the shift linkage.
2. Disconnect the electrical connector.
3. Remove the park/neutral position switch mounting bolts.
4. Remove the park/neutral position switch assembly.
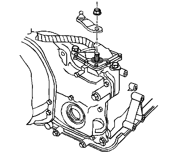
Installation Procedure
Using Old Switch
1. Place the shift shaft in N (Neutral).
2. Align the flats of the shift shaft with the switch.
Notice: Refer to Fastener Notice in Service Precautions.
3. Install the park/neutral position switch mounting bolts.
^ Tighten the bolts to 24 Nm (18 ft. lbs.).
Important: Ensure that the engine will only start in the P (Park) or the N (Neutral) position. Readjust the switch if the engine will start in any other position.
4. Turn the ignition switch to the ON position.