Operation CHARM: Car repair manuals for everyone.
Manuals through 2025 now available!

Our trusted friends have launched a new website named LEMON, which has newer manuals. It also contains all the CHARM manuals.

LEMON is the spiritual successor to CHARM, I recommend you try it!

Link: lemon-manuals.la or lemon-manuals.org.ua

(Some people have issue connecting. LEMON is investigating. For now, use Firefox or change your DNS server)

Or, hide this message: temporarily or permanently

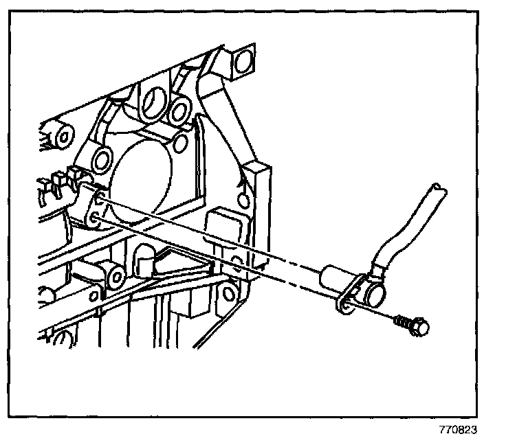
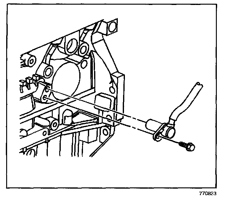
Crankshaft Position Sensor: Service and Repair

REMOVAL PROCEDURE




1. Disconnect the battery.
2. Raise the vehicle. Refer to Lifting and Jacking the Vehicle.
3. Remove the front air deflector, if applicable.
4. Remove the starter.
5. Disconnect the Crankshaft Position (CKP) sensor electrical connector.
6. Remove the CKP sensor bolt.
7. Remove the CKP sensor.

INSTALLATION PROCEDURE




1. Inspect the CKP sensor O-rings and lubricate with a mineral based grease.
2. Gentle insert the CKP sensor into the block.

NOTE: Refer to Fastener Notice in Service Precautions.

3. Install the CKP sensor bolt.

Tighten
Tighten the CKP sensor bolt to 8 N.m (71 lb in).

4. Reconnect the CKP sensor electrical connector.
5. Reinstall the starter.
6. Reinstall the front air deflector if removed in previous step.
7. Lower the vehicle.
8. Reconnect the battery.
9. Perform the CKP system Variation Learn Procedure. Programming and Relearning